Product Summary
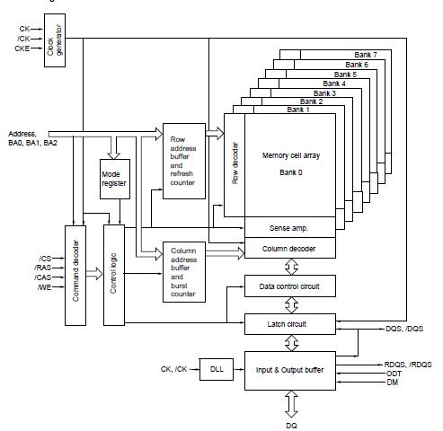
The EDE1116AJBG-8E-F is a 1G bits DDR2 SDRAM.
Parametrics
EDE1116AJBG-8E-F absolute maximum ratings: (1)Power supply voltage VDD: -1.0 to +2.3 V; (2)Power supply voltage for output VDDQ: -0.5 to +2.3 V; (3)Input voltage VIN: -0.5 to +2.3 V; (4)Output voltage VOUT: -0.5 to +2.3 V; (5)Storage temperature Tstg: -55 to +100℃; (6)Power dissipation, PD: 1.0 W; (7)Short circuit output current, IOUT: 50 mA.
Features
EDE1116AJBG-8E-F features: (1)Density: 1G bits; (2)Organization, 16M words ×8 bits ×8 banks (EDE1108AJBG); 8M words ×16 bits ×8 banks (EDE1116AJBG); (3)Package, 60-ball FBGA (EDE1108AJBG); 84-ball FBGA (EDE1116AJBG); Lead-free (RoHS compliant) and Halogen-free; (4)Power supply: VDD, VDDQ = 1.8V ±0.1V; (5)Data rate, 800Mbps (max.); (6)1KB page size (EDE1108AJBG), Row address: A0 to A13; Column address: A0 to A9; (7)2KB page size (EDE1116AJBG), Row address: A0 to A12; Column address: A0 to A9; (8)Eight internal banks for concurrent operation; (9)Interface: SSTL_18; (10)Burst lengths (BL): 4, 8.
Diagrams

(China (Mainland))






