Product Summary
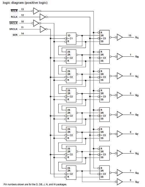
The HC594 is an 8-bit shift register contains an 8-bit serial-in, parallel-out shift register that feeds an 8-bit D-type storage register. Separate clocks and direct overriding clear (RCLR, SRCLR) inputs of the HC594 are provided on both the shift and storage registers. A serial (QH4) output is provided for cascading purposes. Both the shift register (RCLK) and storage register (SRCLK) clocks are positive edge triggered. If both clocks are connected together, the shift register is always one count pulse ahead of the storage register.
Parametrics
HC594 absolute maximum ratings: (1)Supply voltage range, VCC: –0.5 V to 7 V; (2)Input clamp current, IIK (VI < 0 or VI > VCC): ±20 mA; (3)Output clamp current, IOK (VO < 0 or VO > VCC): ±20 mA; (4)Continuous output current, IO (VO = 0 to VCC): ±35 mA; (5)Continuous current through VCC or GND: ±70 mA; (6)Package thermal impedance, qJA: D package: 113℃/W, DB package: 131℃/W, N package: 78℃/W; (7)Storage temperature range, Tstg: –65℃ to 150℃.
Features
HC594 features: (1)8-Bit Serial-In, Parallel-Out Shift Registers With Storage; (2)Independent Direct Overriding Clears on Shift and Storage Registers; (3)Independent Clocks for Both Shift and Storage Registers; (4)High-Current Outputs Can Drive Up to 15 LSTTL Loads; (5)Package Options Include Plastic Small-Outline (D), Shrink Small-Outline (DB), and Ceramic Flat (W) Packages, Ceramic Chip Carriers (FK), and Standard Plastic (N) and Ceramic (J) 300-mil DIPs.
Diagrams

(China (Mainland))






