Product Summary
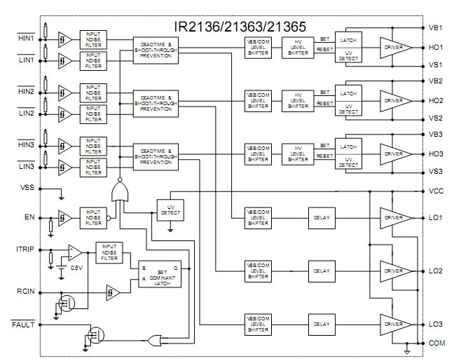
The IR2136S is a high votage, high speed power MOSFET and IGBT driver with three independent high and low side referenced output channels for 3-phase applications. An enable function of the IR2136S is available to terminate all six outputs simultaneously. The output driver of the IR2136S features a high pulse current buffer stage designed for minimum driver cross-conduction.
Parametrics
IR2136S absolute maximum ratings: (1) High side offset voltage VS: VB1, 2, 3, -25V, VB1, 1, 2, 3 +0.3V; (2) High side floating supply voltage VBS: -0.3V, 625V; (3) High side floating output voltage VHO: VS1, 2, 3, -25V, VS1, 1, 2, 3 +0.3V; (4) Low side and logic fixed supply voltage VCC: -0.3V, 25V; (5) Logic ground VSS: Vcc -25V, VCC +0.3V; (6) Low side output voltage VLO1, 1, 2, 3: -0.3V, VCC +0.3V; (7) Input voltage LIN,HIN,ITRIP, EN, RCIN VIN: VSS -0.3, lower of (VSS + 15V), or VCC +0.3V); (8) Junction temperature Tj: 150°C; (9) Storage temperature TS: -55°C to +150°C; (10) Lead temperature (soldering, 10 seconds) TL: 300°C.
Features
IR2136S features: (1) Floating channel designed for bootstrap operation Fully operational to +600V Tolerant to negative transient voltage - dV/dt immune; (2) Undervoltage lockout for all channels; (3) Over-current shutdown turns off all six drivers; (4) Independent 3 half-bridge drivers; (5) Matched propagation delay for all channels; (6) Cross-conduction prevention logic; (7) 3.3V logic compatible; (8) Lower di/dt gate driver for better noise immunity; (9) Externally programmable delay for automatic fault clear; (10) Also available LEAD-FREE.
Diagrams

| Image | Part No | Mfg | Description | ![]() |
Pricing (USD) |
Quantity | ||||||||||||
|---|---|---|---|---|---|---|---|---|---|---|---|---|---|---|---|---|---|---|
![]() |
![]() IR2136S |
![]() |
![]() IC DRIVER BRIDGE 3-PHASE 28-SOIC |
![]() Data Sheet |
![]() Negotiable |
|
||||||||||||
![]() |
![]() IR2136SPBF |
![]() International Rectifier |
![]() Power Driver ICs |
![]() Data Sheet |
![]()
|
|
||||||||||||
![]() |
![]() IR2136STRPBF |
![]() International Rectifier |
![]() Power Driver ICs 3Phs Drvr Sft Trn On Invrt 200ns |
![]() Data Sheet |
![]()
|
|
||||||||||||
![]() |
![]() IR2136STR |
![]() |
![]() IC DRIVER 3PHASE 600V 28-SOIC |
![]() Data Sheet |
![]() Negotiable |
|
||||||||||||
(China (Mainland))










