Product Summary
The KBPC106(BR36) is a 3.0 A single - phase silicon bridge.
Parametrics
KBPC106(BR36) absolute maximum ratings: (1)Maximum recurrent peak reverse voltage: 600 V; (2)Max RMS bridge input voltage: 420 V; (3)Maximum average forward rectified output currentat, TC = 50 °C: 3.0 A; TC= 100 °C: 2.0 A; TA=50 ℃: 2.0 A; (4)Peak forward surge current, 8.3 ms single half sine-wave superimposed on rated load: 50.0 A; (5)Maximum forward voltage drop per bridge element at 1.5A peak: 1.1 V; (6)Maximum reverse current at rated, TA= 25 °C: 10.0 μA; DC blocking voltage per element, TA= 100 °C: 1.0 mA; (7)Operating temperature range Tc: -55 to +125 ℃; (8)Storage temperature range TA: -55 to +150 ℃.
Features
KBPC106(BR36) features: (1)Surge overload rating - 50 amperes peak; (2)Low forward voltage drop; (3)Small size; simple installation; (4)Tinned copper leads; (5)Mounting position: Any; (6)Mounting: Thru hold for #6 screw; (7)U/L recognized file #142814.
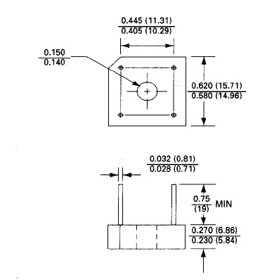
Diagrams

(China (Mainland))






