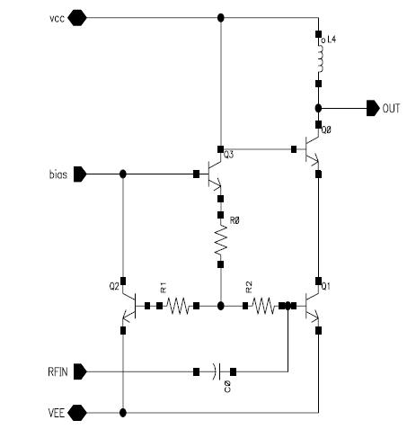
Product Summary
The SIGE2548A is a Low-Noise-Amplifier (LNA) designed for minimum noise figure and can be used for low power 2.4 GHz solutions. It requires an external matching network to match to the antenna-typ. 50 ohm. The applications of the SIGE2548A include LNA for wireless 2.4GHz solutions such as Bluetooth, WLAN, ISM.
Parametrics
SIGE2548A absolute maximum ratings: (1)supply voltage: 2.7 to 3.6V; (2)supply current: 3mA.
Features
SIGE2548A features: (1)2.7–3.6V supply; (2)2.4–2.5 GHz operating frequency range; (3)16 dB voltage gain; (4)3 dB noise figure; (5)-10 dBm IIP3; (6)3 mA current consumption; (7)Size: 0.3 x0.5 mm.
Diagrams

(China (Mainland))






