Product Summary
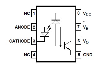
The 0603cg101j101nt is a diode-transistor optocoupler. The 0603cg101j101nt uses an insulating layer between a LED and an integrated photodetector to provide electrical insulation between input and output. Separate connections for the photodiode bias and output-transistor collector increase the speed up to a hundred times that of a conventional phototransistor coupler by reducing the base-collector capacitance.
Parametrics
0603cg101j101nt absolute maximum ratings: (1)Storage Temperature TS: -55 to 125 ℃; (2)Operating Temperature TA: -55 to 100 ℃; (3)Average Forward Input Current IF(AVG): 25 mA; (4)Supply Voltage VCC: -0.5 to 30 V; (5)Output Voltage VO: -0.5 to 20 V; (6)Output Power Dissipation PO: 100 mW.
Features
0603cg101j101nt features: (1)15 kV/μs Minimum Common Mode Transient Immunity at VCM = 1500 V (4503/0453); (2)High Speed: 1 Mb/s; (3)TTL Compatible; (4)Available in 8-Pin DIP, SO-8, Widebody Packages; (5)Open Collector Output; (6)Guaranteed Performance from Temperature: 0℃ to 70℃.
Diagrams

![]() |
![]() 0603 |
![]() Other |
![]() |
![]() Data Sheet |
![]() Negotiable |
|
||||
![]() |
![]() 0603-101J |
![]() |
![]() INDUCTOR RF WIREWOUND 100NH SMD |
![]() Data Sheet |
![]() Negotiable |
|
||||
![]() |
![]() 0603-101K |
![]() |
![]() INDUCTOR RF WIREWOUND 100NH SMD |
![]() Data Sheet |
![]() Negotiable |
|
||||
![]() |
![]() 0603-10NJ |
![]() |
![]() INDUCTOR RF WIREWOUND 10NH SMD |
![]() Data Sheet |
![]() Negotiable |
|
||||
![]() |
![]() 0603-10NK |
![]() |
![]() INDUCTOR RF WIREWOUND 10NH SMD |
![]() Data Sheet |
![]() Negotiable |
|
||||
![]() |
![]() 0603-111J |
![]() |
![]() INDUCTOR RF WIREWOUND 110NH SMD |
![]() Data Sheet |
![]() Negotiable |
|
||||
(China (Mainland))








