Product Summary
The 29LV320CBTC-70G is a 32-mega bit Flash memory organized as 4M bytes of 8 bits and 2M words of 16 bits.
The 29LV320CBTC-70G offers the most cost-effective and reliable read/write non-volatile random access memory. The 29LV320CBTC-70G packaged in 48-pin TSOP and 48-ball CSP. It is designed to be reprogrammed and erased in system or in standard EPROM programmers
Parametrics
29LV320CBTC-70G absolute maximum ratings: (1)Storage Temperature Plastic Packages:-65 to +150℃; (2)Ambient Temperature with Power Applied:-65 to +125℃; (3)Voltage with Respect to Ground: VCC:-0.5 V to +4.0 V, A9, OE#, and RESET# :-0.5 V to +12.5 V, All other pins: -0.5 V to VCC +0.5 V; (4)Output Short Circuit Current:200 mA.
Features
29LV320CBTC-70G features: (1)4,194,304 x 8 / 2,097,152 x 16 switchable ; (2)Sector Structure: 8K-Byte x 8 and 64K-Byte x 63; (3)Extra 64K-Byte sector for security: Features factory locked and identifiable, and customer lockable; (4)Twenty-Four Sector Groups:Provides sector group protect function to prevent program or erase operation in the protected sector group, Provides chip unprotect function to allow code changng, Provides temporary sector group unprotect function for code changing in previously protected sector groups; (5)Single Power Supply Operation: 2.7 to 3.6 volt for read, erase, and program operations; (6)Latch-up protected to 250mA from -1V to Vcc + 1V; (7)Low Vcc write inhibit is equal to or less than 1.4V; (8)Compatible with JEDEC standard: Pinout and software compatible to single power supply Flash.
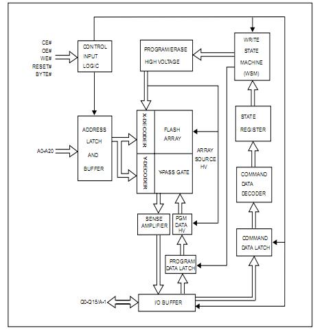
Diagrams

![]() |
![]() 29LV160T-90PFTN |
![]() Other |
![]() |
![]() Data Sheet |
![]() Negotiable |
|
||||
![]() |
![]() 29LV650LLE-90PFTN |
![]() Other |
![]() |
![]() Data Sheet |
![]() Negotiable |
|
||||
(China (Mainland))








