Product Summary
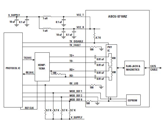
The AFBR-57R5APZ is a Small Form Pluggable Low Voltage Electrical Transceiver from Avago Technologies off er full-duplex throughput of 1000 Mbps by transporting data over shielded and unshielded twisted pair category 5 cable with 5-level PAM (Pulse Amplitude Modulation) signals. The applications of the AFBR-57R5APZ include Switch to switch interface, Switched backplane applications, File server interface.
Parametrics
AFBR-57R5APZ absolute maximum ratings: (1)Storage Temperature, TS: -40 to +75℃; (2)Case Temperature, TC: -40 to +75℃; (3)Relative Humidity, RH: 5 to 95 %; (4)Module Supply Voltage, VCCT,R: -0.5 to 3.6 V; (5)Data/Control Input Voltage, VI: -0.5 to VCC V; (6)Sense Output Current -LOS: ID to NA mA.
Features
AFBR-57R5APZ features: (1)RoHS-6 Compliant (see Table 1); (2)Designed for Industry-Standard, MSA Compliant Small Form Factor Pluggable (SFP) Ports; (3)Compatible with IEEE 802.3:2000; (4)Custom RJ-45 connector with integrated magnetics; (5)Link lengths at 1.25 Gbd: up to 100 m per IEEE802.3; (6)Low power, high performance 1.25 Gbd SerDes integrated in module; (7)Single +3.3 V power supply operation; (8)Auto-negotiation per IEEE 802.3:2000 Clause 28 (Twisted Pair) and Clause 37 (1000BASE-X); (9)Compatible to both shielded and unshielded twisted pair category 5 cable; (10)Two confi gurations: ABCU-5700RZ: RX_LOS enabled; ABCU-5710RZ: RX_LOS disabled; (11)Rated for Commercial Temperature applications (0 - 70℃); (12)10/100/1000 BASE-T operation in host systems with SGMII interface.
Diagrams

| Image | Part No | Mfg | Description | ![]() |
Pricing (USD) |
Quantity | ||||||||||||
|---|---|---|---|---|---|---|---|---|---|---|---|---|---|---|---|---|---|---|
![]() |
![]() AFBR-57R5APZ |
![]() Avago Technologies |
![]() Fiber Optic Transmitters, Receivers, Transceivers Transceiver |
![]() Data Sheet |
![]()
|
|
||||||||||||
| Image | Part No | Mfg | Description | ![]() |
Pricing (USD) |
Quantity | ||||||||||||
![]() |
![]() AFBR-0544Z |
![]() Avago Technologies |
![]() Fiber Optic Development Tools 650nm Transceiver Evaluation Kit |
![]() Data Sheet |
![]()
|
|
||||||||||||
![]() |
![]() AFBR-0545Z |
![]() Avago Technologies |
![]() Optical Navigation Sensors kit for AFBR-5972Z |
![]() Data Sheet |
![]()
|
|
||||||||||||
![]() |
![]() AFBR-0978Z |
![]() Avago Technologies |
![]() Fiber Optic Development Tools 650nm FE Transceiver Eval Kit |
![]() Data Sheet |
![]()
|
|
||||||||||||
![]() |
![]() AFBR-1310Z |
![]() Avago Technologies |
![]() Fiber Optic Transmitters, Receivers, Transceivers Tx with Amp |
![]() Data Sheet |
![]()
|
|
||||||||||||
![]() |
![]() AFBR-1529Z |
![]() Avago Technologies |
![]() Fiber Optic Transmitters, Receivers, Transceivers V-Link Horz 10MBd 50m POF, 2.3 V |
![]() Data Sheet |
![]()
|
|
||||||||||||
![]() |
![]() AFBR-1624Z |
![]() Avago Technologies |
![]() Fiber Optic Transmitters, Receivers, Transceivers V-Link Horz 50MBd 50m POF, 3.3/5 V |
![]() Data Sheet |
![]()
|
|
||||||||||||
(China (Mainland))













