Product Summary
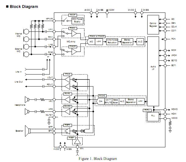
The AK4642EN features a stereo CODEC with a built-in Microphone-Amplifier, Headphone-Amplifier and Speaker-Amplifier. Input circuits of the AK4642EN include a Microphone-Amplifier and an ALC (Auto Level Control) circuit hat is suitable for portable application with recording/playback function. The AK4642EN is available in a 32pin QFN, utilizing less board space than competitive offerings.
Parametrics
AK4642EN absolute maximum ratings: (1) Power Supplies, Analog AVDD: -0.3V to 6.0V; (2) Input Current, Any Pin Except Supplies IIN: ±10mA; (3) Analog Input Voltage VINA: -0.3V, AVDD +0.3V; (4) Digital Input Voltage VIND: -0.3V, DVDD +0.3V; (5) Ambient Temperature (powered applied) Ta: -30°C to 85°C; (6) Storage Temperature Tstg: -65°C to 150°C; (7) Maximum Power Dissipation Ta=85°C, Pd1: 400mW, Ta=70°C, Pd2: 550mW.
Features
AK4642EN features: (1) Stereo Mic Input (Full-differential or Single-ended) ; (2) Stereo Line Input; (3) MIC Amplifier (+32dB/+26dB/+20dB or 0dB) ; (4) Digital De-emphasis Filter (tc=50/15s, fs=32kHz, 44.1kHz, 48kHz) ; (5) Wind-noise Reduction Filter; (6) Stereo Separation Emphasis; (7) Analog Mixing: Mono Input; (8) Output Master Clock Frequencies: 32fs/64fs/128fs/256fs.
Diagrams

(China (Mainland))






