Product Summary
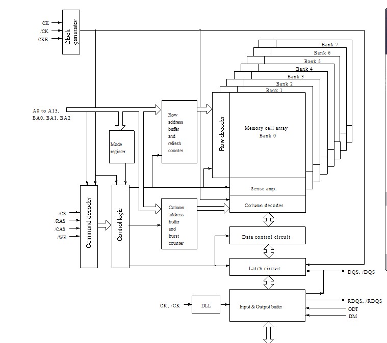
The EDE1108AEBG-8E-F is a 1G bits DDR2 SDRAM.
Parametrics
E1108AEBG-8E-F absolute maximum ratings: (1)Power supply voltage VDD: -1.0V to +2.3V; (2)Power supply voltage for output VDDQ: -0.5V to +2.3V; (3)Input voltage VIN: -0.5V to +2.3V; (4)Output voltage VOUT: -0.5V to +2.3V; (5)Storage temperature Tstg: -55℃ to +100℃; (6)Power dissipation PD: 1.0W; (7) Short circuit output current IOUT: 50mA.
Features
E1108AEBG-8E-F features: (1)Double-data-rate architecture; two data transfers per clock cycle; (2)The high-speed data transfer is realized by the 4 bits prefetch pipelined architecture; (3)Bi-directional differential data strobe (DQS and /DQS) is transmitted/received with data for capturing data at the receiver; (4)DQS is edge-aligned with data for READs; centeraligned with data for WRITEs; (5)Differential clock inputs (CK and /CK); (6)DLL aligns DQ and DQS transitions with CK transitions; (7)Commands entered on each positive CK edge; data and data mask referenced to both edges of DQS; (8)Data mask (DM) for write data; (9)Posted /CAS by programmable additive latency for better command and data bus efficiency; (10)Off-Chip-Driver Impedance Adjustment and On-Die-Termination for better signal quality; (11)Programmable RDQS, /RDQS output for making ×8 organization compatible to ×4 organization; (12)/DQS, (/RDQS) can be disabled for single-ended; (13)Data Strobe operation.
Diagrams

![]() |
![]() E110.000 |
![]() Altech |
![]() Hand Tools Ferrule Crimper 26-10 AWG |
![]() Data Sheet |
![]()
|
|
||||||||
![]() |
![]() E110.005 |
![]() Altech |
![]() Hand Tools UNIV FERRULE CRIMPER 20-8 AWG 0.5-10 |
![]() Data Sheet |
![]()
|
|
||||||||
![]() |
![]() E110.015 |
![]() Altech |
![]() Hand Tools FERRULE CRIMPER 4-2AWG 25-35 |
![]() Data Sheet |
![]()
|
|
||||||||
![]() |
![]() E110.020 |
![]() Altech |
![]() Hand Tools FERRULE CRIMPER 1 AWG 50 |
![]() Data Sheet |
![]()
|
|
||||||||
![]() |
![]() E1103 |
![]() Atmel |
![]() Touch Sensor Development Tools Eval Board for QT1103 Series |
![]() Data Sheet |
![]()
|
|
||||||||
![]() |
![]() E1100 |
![]() |
![]() BOARD EVAL FOR QT1100-IS QTOUCH |
![]() Data Sheet |
![]() Negotiable |
|
||||||||
(China (Mainland))










