Product Summary
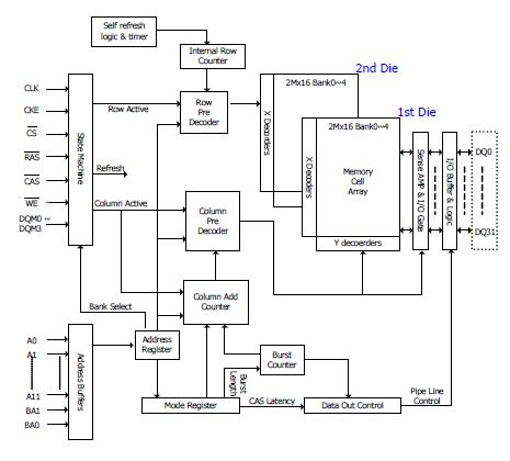
The H57V2622GMR-75C is a 256Mb : x32 Dual Die Synchronous DRAM ideally suited for the consumer memory applications which requires large memory density and high bandwidth uses Hinix’s 128Mb SDR monolithic die and has similar functionality. Synchronous DRAM is a type of DRAM which operates in synchronization with input clock. The Hynix Synchronous DRAM latch each control signal at the rising edge of a basic input clock (CLK) and input/output data in synchronization with the input clock (CLK). The address lines of the H57V2622GMR-75C are multiplexed with the Data Input/ Output signals on a multiplexed x32 Input/ Output bus. All the commands are latched in synchronization with the rising edge of CLK.
Parametrics
H57V2622GMR-75C absolute maximum ratings: (1)Ambient Temperature (Commercial Temp.), TA: 0 ~ 70℃; (2)Ambient Temperature (Industrial Temp.): -40 ~ 85℃; (3)Storage Temperature, TSTG: -55 ~ 125℃; (4)Voltage on Any Pin relative to VSS VIN, VOUT: -1.0 ~ 4.6 V; (5)Voltage on VDD supply relative to VSS VDD, VDDQ: -1.0 ~ 4.6 V; (6)Short Circuit Output Current, IOS: 50 mA; (7)Power Dissipation, PD: 1 W; (8)Soldering Temperature-Time TSOLDER: 260.10℃.
Features
H57V2622GMR-75C features: (1)Standard SDRAM Protocol; (2)Uses 2pcs of 128Mb Monolithic Die; (3)Power Supply Voltage: VDD = 3.3V, VDDQ = 3.3V; (4)All device pins are compatible with LVTTL interface; (5)4096 Refresh cycles / 64ms; (6)Programmable CAS latency of 2 or 3; (7)Programmable Burst Length and Burst Type; (8)Operating Temp-Commercial Temp: 0℃ ~ 70℃, Industrial Temp: -40℃ ~ 85℃.
Diagrams

(China (Mainland))






