Product Summary
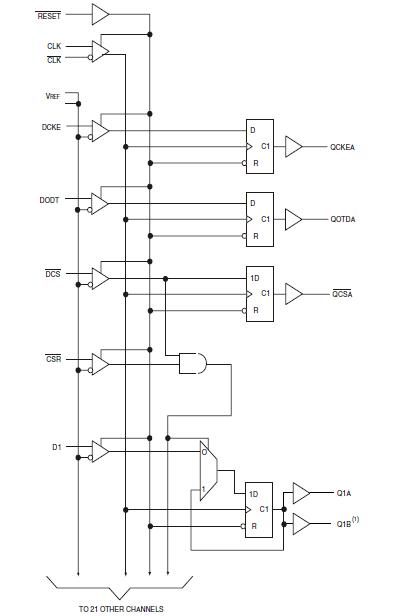
The IDT74SSTUBF32866BBFG8 is a 25-bit 1:1 or 14-bit 1:2 configurable registered buffer designed for 1.7-V to 1.9-V VDD operation. All clock and data inputs are compatible with the JEDEC standard for SSTL_18. The control inputs are LVCMOS. All outputs are 1.8-V CMOS drivers that have been optimized to drive the DDR-II DIMM load. The IDT74SSTUBF32866BBFG8 operates from a differential clock (CLK and CLK). Data are registered at the crossing of CLK going high, and CLK going low. The applications of the IDT74SSTUBF32866BBFG8 include DDR2 Memory Modules, Provides complete DDR DIMM solution with ICS98ULPA877A or IDTCSPUA877A, Ideal for DDR2 667 and 800.
Parametrics
IDT74SSTUBF32866BBFG8 absolute maximum ratings: (1)Supply Voltage, VDD: -0.5V to 2.5V; (2)Input Voltage Range, VI1: -0.5V to 2.5V; (3)Output Voltage Range, VO1,2: -0.5V to VDD + 0.5V; (4)Input Clamp Current, IIK: ±50mA; (5)Output Clamp Current, IOK: ±50mA; (6)Continuous Output Clamp Current, IO: ±50mA; (7)Continuous Current through each VDD or GND: ±100mA; (8)Package Thermal Impedance (θja)3, 0m/s Airflow: 70.9℃/W; 1m/s Airflow: 65℃/W; (9)Storage Temperature: -65 to +150℃.
Features
IDT74SSTUBF32866BBFG8 features: (1)25-bit 1:1 or 14-bit 1:2 registered buffer with parity check functionality; (2)Supports SSTL_18 JEDEC specification on data inputs and outputs; (3)Supports LVCMOS switching levels on C0, C1, and RESET inputs; (4)Low voltage operation: VDD = 1.7V to 1.9V; (5)Available in 96-ball LFBGA package.
Diagrams

| Image | Part No | Mfg | Description | ![]() |
Pricing (USD) |
Quantity | ||||||
|---|---|---|---|---|---|---|---|---|---|---|---|---|
![]() |
![]() IDT74SSTUBF32866BBFG8 |
![]() |
![]() IC BUFFER 25BIT CONF DDR2 96BGA |
![]() Data Sheet |
![]()
|
|
||||||
| Image | Part No | Mfg | Description | ![]() |
Pricing (USD) |
Quantity | ||||||
![]() |
![]() IDT7005 |
![]() Other |
![]() |
![]() Data Sheet |
![]() Negotiable |
|
||||||
![]() |
![]() IDT7005L |
![]() Other |
![]() |
![]() Data Sheet |
![]() Negotiable |
|
||||||
![]() |
![]() IDT7005L15J |
![]() |
![]() IC SRAM 64KBIT 15NS 68PLCC |
![]() Data Sheet |
![]()
|
|
||||||
![]() |
![]() IDT7005L15J8 |
![]() |
![]() IC SRAM 64KBIT 15NS 68PLCC |
![]() Data Sheet |
![]()
|
|
||||||
![]() |
![]() IDT7005L15JG |
![]() |
![]() IC SRAM 64KBIT 15NS 68PLCC |
![]() Data Sheet |
![]()
|
|
||||||
![]() |
![]() IDT7005L15JG8 |
![]() |
![]() IC SRAM 64KBIT 15NS 68PLCC |
![]() Data Sheet |
![]()
|
|
||||||
(China (Mainland))









