Product Summary
The S71WS128PCOHH3SR3 is an 8M-bit, 5.0 V-only Flash memory organized as 1M bytes of 8 bits each or 512K words of 16 bits each. The S71WS128PCOHH3SR3 is offered in a 48-pin TSOP(I) and 44-pin SOP packages. The S71WS128PCOHH3SR3 is designed to be programmed in-system with the standard system 5.0 V VCC supply. 12.0 V VPP is not required for write or erase operations. The S71WS128PCOHH3SR3 can also be reprogrammed in standard EPROM programmers.
Parametrics
S71WS128PCOHH3SR3 absolute maximum ratings: (1)Storage Temperature: -55℃ to +125℃; (2)Ambient Temperature with Power Applied: -40℃ to +85℃; (3)Voltage with respect to Ground All pins except A9, OE, and RESET: -2.0 V to +7.0 V; (4)VCC: -2.0 V to +7.0 V; (5)A9, OE, and RESET: -2.0 V to +13.5 V; (6)ILI Input Leakage Current VIN = VSS to VCC, VCC = VCC Max.: -1.0 to +1.0 μA; (7)ILO Output Leakage Current VOUT = VSS to VCC, VCC = VCC Max.: -1.0 to +1.0 μA.
Features
S71WS128PCOHH3SR3 features: (1)Single 5.0 V read, write, and erase Minimizes system level power requirements; (2)Compatible with JEDEC-standard commands Uses same software commands as E2PROMs; (3)Compatible with JEDEC-standard world-wide pinouts; (4)Minimum 100,000 write/erase cycles; (5)High performance 55 ns maximum access time; (6)Sector erase architecture; (7)Boot Code Sector Architecture; (8)Embedded Erase Algorithms; (9)Embedded ProgramTM Algorithms; (10)Data Polling and Toggle Bit feature for detection of program or erase cycle completion.
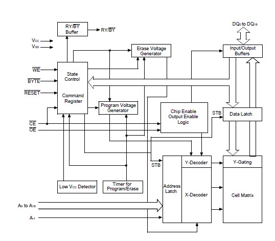
Diagrams

![]() |
![]() S71WS-N |
![]() Other |
![]() |
![]() Data Sheet |
![]() Negotiable |
|
||||
(China (Mainland))








