Product Summary
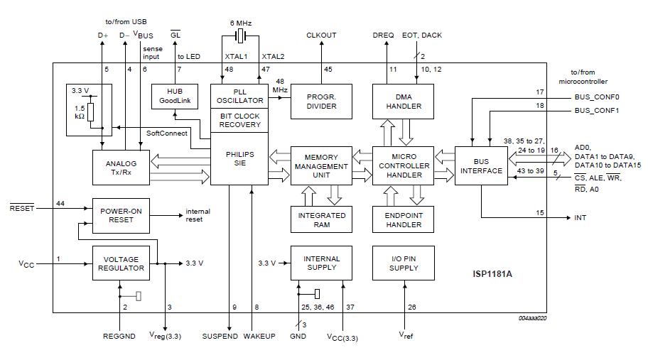
The ISP1181ADGG is a Universal Serial Bus (USB) peripheral controller that complies with Universal Serial Bus Specification Rev. 2.0, supporting data transfer at full-speed (12 Mbit/s). It provides full-speed USB communication capacity to microcontroller or microprocessor-based systems. The ISP1181ADGG communicates with the system’s microcontroller or microprocessor through a high-speed general-purpose parallel interface. The ISP1181ADGG supports fully autonomous, multi-configurable Direct Memory Access (DMA) operation. The applications of the ISP1181ADGG include Personal Digital Assistant (PDA), Digital camera, Communication device, for example: Router; Modem, Mass storage device, for example: Zip drive, Printer, Scanner.
Parametrics
ISP1181ADGG absolute maximum ratings: (1)VCC, supply voltage: -0.5 to +6.0 V; (2)VI, input voltage: -0.5 to VCC +0.5 V; (3)Ilatchup, latch-up current VI < 0 or VI > VCC: 100 mA; (4)Vesd, electrostatic discharge voltage ILI < 1 mA: ±2000 V; (5)Tstg, storage temperature: -60 to +150℃; (6)Ptot, total power dissipation VCC = 5.5 V: 165 mW.
Features
ISP1181ADGG features: (1)Complies with Universal Serial Bus Specification Rev. 2.0 and most Device Class specifications; (2)Supports data transfer at full-speed (12 Mbit/s); (3)High performance USB peripheral controller with integrated Serial Interface Engine (SIE), FIFO memory, transceiver and 3.3V voltage regulator; (4)High speed (11.1 Mbyte/s or 90 ns read/write cycle) parallel interface; (5)Fully autonomous and multi-configuration DMA operation; (6)Up to 14 programmable USB endpoints with 2 fixed control IN/OUT endpoints; (7)Integrated physical 2462 bytes of multi-configuration FIFO memory; (8)Endpoints with double buffering to increase throughput and ease real-time data transfer; (9)Seamless interface with most microcontrollers/microprocessors; (10)Bus-powered capability with low power consumption and low ‘suspend’ current; (11)6 MHz crystal oscillator input with integrated PLL for low EMI; (12)Controllable LazyClock (100 kHz ± 50 %) output during ‘suspend’; (13)Software controlled connection to the USB bus (SoftConnect); (14)Good USB connection indicator that blinks with traffic (GoodLink).
Diagrams

| Image | Part No | Mfg | Description | ![]() |
Pricing (USD) |
Quantity | ||||
|---|---|---|---|---|---|---|---|---|---|---|
![]() |
![]() ISP1181ADGG |
![]() NXP Semiconductors |
![]() USB Interface IC USB CNTRLR FULL-SPD |
![]() Data Sheet |
![]() Negotiable |
|
||||
![]() |
![]() ISP1181ADGG,118 |
![]() NXP Semiconductors |
![]() USB Interface IC USB 1.1 ADV. DEVICE |
![]() Data Sheet |
![]() Negotiable |
|
||||
![]() |
![]() ISP1181ADGGTM |
![]() |
![]() IC USB HOST CTRL FLL-SPD 48TSSOP |
![]() Data Sheet |
![]() Negotiable |
|
||||
(China (Mainland))











