Product Summary
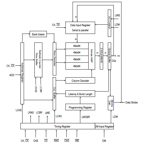
The K4X1G323PC-8GC3 is a 32Mx32 mobile DDR SDRAM.
Parametrics
K4X1G323PC-8GC3 absolute maximum ratings: (1)Voltage on any pin relative to VSS, VIN, VOUT: -0.5 to 2.7 V; (2)Voltage on VDD supply relative to VSS, VDD: -0.5 to 2.7 V; (3)Voltage on VDDQ supply relative to VSS, VDDQ: -0.5 to 2.7 V; (4)Storage temperature, TSTG: -55 to +150 °C; (5)Power dissipation, PD: 1.0 W; (6)Short circuit current, IOS: 50 mA.
Features
K4X1G323PC-8GC3 features: (1)VDD/VDDQ = 1.8V/1.8V; (2)Double-data-rate architecture; two data transfers per clock cycle; (3)Bidirectional data strobe(DQS); (4)Four banks operation; (5)Differential clock inputs(CK and CK); (6)MRS cycle with address key programs: CAS Latency ( 3 ); Burst Length ( 2, 4, 8, 16 ); Burst Type (Sequential & Interleave); (7)EMRS cycle with address key programs: Partial Array Self Refresh ( Full, 1/2, 1/4 Array ); Output Driver Strength Control ( Full, 1/2, 1/4, 1/8 ); (8)Internal temperature compensated self refresh; (9)All inputs except data & DM are sampled at the positive going edge of the system clock(CK); (10)Data I/O transactions on both edges of data strobe, DM for masking; (11)Edge aligned data output, center aligned data input; (12)No DLL; CK to DQS is not synchronized; (13)DM0 - DM3 for write masking only; (14)Auto refresh duty cycle: 7.8us for -25 to 85 °C.
Diagrams

(China (Mainland))






