Product Summary
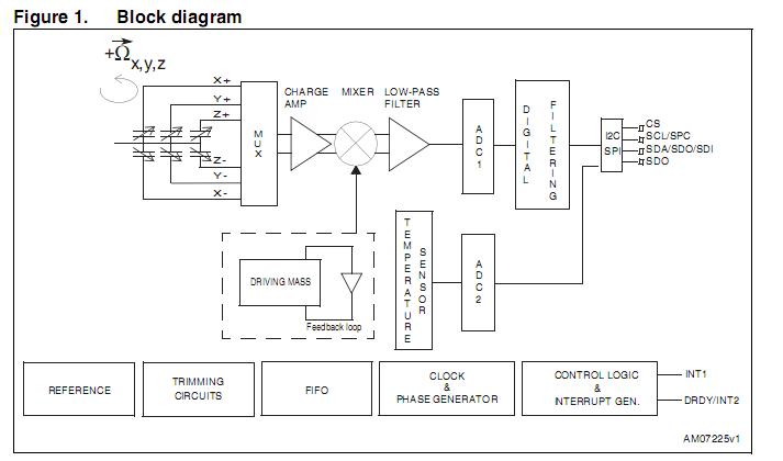
The L3G4200D is a low-power three-axis gyroscope providing three different user selectable full scales (±250/±500/±2000 dps). It includes a sensing element and an IC interface able to provide the detected angular rate to the external world through a digital interface(I2C/SPI). The L3G4200D is available in a plastic land grid array (LGA) package and provides excellent temperature stability and high resolution over an extend operating temperature range.
Parametrics
L3G4200D absolute maximum ratings: (1)Vdd, Supply voltage: -0.3 to 4.8 V; (2)TSTG, Storage temperature range: -40 to +125 ℃ (3)Sg, Acceleration g for 0.1 ms: 10,000 g; (4)ESD, Electrostatic discharge protection: 2 (HBM) kV.
Features
L3G4200D features: (1)Three selectable full scales(±250/500/2000 dps); (2)I2C/SPI digital output interface; (3)16 bit rate value data output; (4)Two digital output lines (interrupt and dataready); (5)Integrated low and high pass filters with user selectable bandwidth; (6)Embedded self-test; (7)Wide supply voltage, 2.4 V to 3.6 V; (8)Low voltage compatible IOs, 1.8 V; (9)Embedded power-down and sleep mode; (10)High shock survivability; (11)Extended operating temperature range(-40 ℃to +85 ℃); (12)ECOPACKR RoHS and “Green” compliant.
Diagrams

| Image | Part No | Mfg | Description | ![]() |
Pricing (USD) |
Quantity | ||||||||||||
|---|---|---|---|---|---|---|---|---|---|---|---|---|---|---|---|---|---|---|
![]() |
![]() L3G4200D |
![]() STMicroelectronics |
![]() Gyroscopes Mems Sensor 3-Axis 2.4 to 3.6 V Gyro |
![]() Data Sheet |
![]()
|
|
||||||||||||
![]() |
![]() L3G4200DH |
![]() STMicroelectronics |
![]() Gyroscopes Digital Gyro 96 FIFO 250 / 500 / 2000 DPS |
![]() Data Sheet |
![]() Negotiable |
|
||||||||||||
![]() |
![]() L3G4200DTR |
![]() STMicroelectronics |
![]() Gyroscopes MEMS 3-Axis Gyro 96 LVL FIFO 1.8V |
![]() Data Sheet |
![]()
|
|
||||||||||||
![]() |
![]() L3G4200DHTR |
![]() STMicroelectronics |
![]() Gyroscopes Digital Gyro 96 FIFO 250 / 500 / 2000 DPS |
![]() Data Sheet |
![]() Negotiable |
|
||||||||||||
(China (Mainland))










