Product Summary
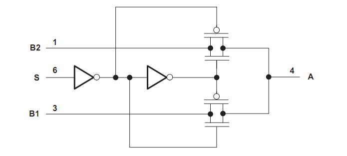
The SN74LVC1G3157DCKR is a single-pole, double-throw (SPDT) analog switch designed for 1.65-V to 5.5-V VCC operation. The SN74LVC1G3157DCKR can handle both analog and digital signals. The device permits signals with amplitudes of up to VCC (peak) to be transmitted in either direction. Applications include signal gating, chopping, modulation or demodulation (modem), and signal multiplexing for analog-to-digital and digital-to-analog conversion systems.
Parametrics
SN74LVC1G3157DCKR absolute maximum ratings: (1)Supply voltage range, VCC: -0.5 V to 6.5 V; (2)Control input voltage range, VIN: -0.5 V to 6.5 V; (3)Switch I/O voltage range, VI/O: -0.5 V to VCC + 0.5 V; (4)Control input clamp current, IIK (VIN < 0): -50 mA; (5)I/O port diode current, IIOK (VI/O < 0 or VI/O > VCC): ±50 mA; (6)On-state switch current, II/O (VI/O = 0 to VCC): ±128 mA ; (7)Continuous current through VCC or GND: ±100 mA; (8)Package thermal impedance, θJA (see Note 6): DBV package: 165℃/W; DCK package: 259℃/W; YEP/YZP package: 123℃/W; (9)Storage temperature range, Tstg: -65℃ to 150℃.
Features
SN74LVC1G3157DCKR features: (1)1.65-V to 5.5-V VCC Operation; (2)Useful for Both Analog and Digital Applications; (3)Specified Break-Before-Make Switching; (4)Rail-to-Rail Signal Handling; (5)High Degree of Linearity; (6)High Speed, Typically 0.5 ns (VCC = 3 V, CL = 50 pF); (7)Low On-State Resistance, Typically ≈6 Ω (VCC = 4.5 V); (8)Latch-Up Performance Exceeds 100 mA Per; (9)JESD 78, Class II; (10)ESD Protection Exceeds JESD 22, 2000-V Human-Body Model (A114-A); 200-V Machine Model (A115-A); 1000-V Charged-Device Model (C101).
Diagrams

| Image | Part No | Mfg | Description | ![]() |
Pricing (USD) |
Quantity | ||||||||||||
|---|---|---|---|---|---|---|---|---|---|---|---|---|---|---|---|---|---|---|
![]() |
![]() SN74LVC1G3157DCKR |
![]() Texas Instruments |
![]() Analog Switch ICs SPDT Analog Switch |
![]() Data Sheet |
![]()
|
|
||||||||||||
| Image | Part No | Mfg | Description | ![]() |
Pricing (USD) |
Quantity | ||||||||||||
![]() |
![]() SN7400 |
![]() Other |
![]() |
![]() Data Sheet |
![]() Negotiable |
|
||||||||||||
![]() |
![]() SN7400D |
![]() Texas Instruments |
![]() Gates (AND / NAND / OR / NOR) Quad 2-input Positive-NAND gates |
![]() Data Sheet |
![]()
|
|
||||||||||||
![]() |
![]() SN7400DE4 |
![]() Texas Instruments |
![]() Gates (AND / NAND / OR / NOR) Quad 2-input Positive-NAND gates |
![]() Data Sheet |
![]()
|
|
||||||||||||
![]() |
![]() SN7400DG4 |
![]() Texas Instruments |
![]() Gates (AND / NAND / OR / NOR) Quad 2-input Pos- NAND |
![]() Data Sheet |
![]()
|
|
||||||||||||
![]() |
![]() SN7400DR |
![]() |
![]() IC QUAD 2IN POS-NAND GATE 14SOIC |
![]() Data Sheet |
![]() Negotiable |
|
||||||||||||
![]() |
![]() SN7400DRE4 |
![]() |
![]() IC QUAD 2IN POS-NAND GATE 14SOIC |
![]() Data Sheet |
![]() Negotiable |
|
||||||||||||
(China (Mainland))










