Product Summary
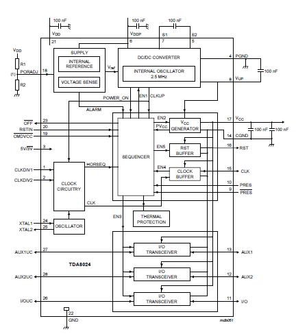
The TDA8024AT/C1 is a complete and cost-efficient analog interface for asynchronous 3 or 5 V smart cards. It can be placed between the card and the microcontroller to perform all supply, protection and control functions. Very few external components are required. The TDA8024AT/C1 is a direct replacement for the TDA8024AT/C1. The applications of the TDA8024AT/C1 include IC card readers for banking, Electronic payment, Identification, Pay TV.
Parametrics
TDA8024AT/C1 absolute maximum ratings: (1)VDD, supply voltage: -0.3 to +6.5 V; (2)VDDP, DC/DC converter supply voltage -0.3 to +6.5 V; (3)VI, VO, voltage on input and output pins pins XTAL1, XTAL2, 5V/3V, RSTIN, AUX1UC, AUX2UC, I/OUC, CLKDIV1, CLKDIV2, CMDVCC, OFF and PORADJ: -0.3 to +6.5 V; (4)Vcard, voltage on card pins pins PRES, PRES, I/O, RST, AUX1,; (5)AUX2 and CLK: -0.3 to +6.5 V; (6)Vn, voltage on other pins pins VUP, S1 and S2: -0.3 to +6.5 V; (7)Tj(max), maximum junction temperature: 150℃; (8)Tstg, storage temperature: -55 to +150℃.
Features
TDA8024AT/C1 features: (1)IC card interface; (2)3 or 5 V supply for the IC (VDD and GND); (3)Three specifically protected half-duplex bidirectional buffered I/O lines to card contacts C4, C7 and C8; (4)DC/DC converter for VCC generation separately powered from a 5 V ± 20% supply (VDDP and PGND); (5)3 or 5 V ± 5% regulated card supply voltage (VCC) with appropriate decoupling has the following capabilities: ICC < 80 mA at VDDP = 4 to 6.5 V; Handles current spikes of 40 nAs up to 20 MHz; Controls rise and fall times; Filtered overload detection at approximately 120 mA; (6)Thermal and short-circuit protection on all card contacts; (7)Automatic activation and deactivation sequences; initiated by software or by hardware in the event of a short-circuit, card take-off, overheating, VDD or VDDP drop-out; (8)Enhanced ESD protection on card side (>6 kV); (9)26 MHz integrated crystal oscillator; (10)Clock generation for cards up to 20 MHz (divided by 1, 2, 4 or 8 through CLKDIV1 and CLKDIV2 signals) with synchronous frequency changes; (11)Non-inverted control of RST via pin RSTIN; (12)ISO 7816, GSM11.11 and EMV (payment systems) compatibility; (13)Supply supervisor for spike-killing during power-on and power-off and Power-on reset (threshold fixed internally or externally by a resistor bridge); not for TDA8024AT; (14)Built-in debounce on card presence contacts; (15)One multiplexed status signal OFF.
Diagrams

| Image | Part No | Mfg | Description | ![]() |
Pricing (USD) |
Quantity | ||||||||||||
|---|---|---|---|---|---|---|---|---|---|---|---|---|---|---|---|---|---|---|
![]() |
![]() TDA8024AT/C1,112 |
![]() NXP Semiconductors |
![]() I/O Controller Interface IC IOCTRL 5V 1.5A 0.56W |
![]() Data Sheet |
![]()
|
|
||||||||||||
![]() |
![]() TDA8024AT/C1,118 |
![]() NXP Semiconductors |
![]() Power Amplifiers IC Card Interface 28-Pin |
![]() Data Sheet |
![]()
|
|
||||||||||||
(China (Mainland))









