Product Summary
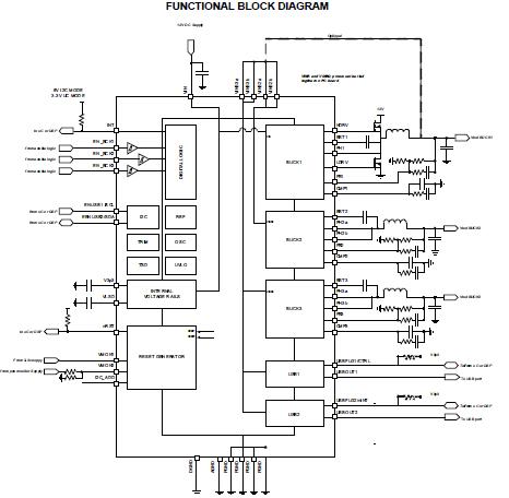
The TPS65230 is a power management IC provides one PWM buck controller, two adjustable, synchronous buck regulators, two independent USB power switches and a supply voltage supervisor (SVS) to provide main power functions for satellite set top boxes, xDSL and cable modem applications operating off a single 12- to 22-V supply. The SMPS have integrated switching FETs for optimized power efficiency and reduced external component count. The applications of the TPS65230 include Digital Set Top Boxes, xDSL & Cable Modems, DVD Players, Home Gateway and Access Point Networks, Wireless Routers.
Parametrics
TPS65230 absolute maximum ratings: (1)Input voltage range at VIN: -0.3 to 25 V; (2)Input voltage range at VINB, VINBQ, VINU: -0.3 to 7.0 V; (3)Voltage range at INT: -0.3 to 7.0 V; (4)Voltage range at EN_BCK1, EN_BCK2, EN_BCK3, EN_USB1/SCL, EN_USB2/SDA, nRST, USBFLG1/VCTRL2, USBFLG2/VCTRL3: -0.3 to 3.6 V; (5)Voltage on HDRV, BST1: -0.3 to 31 V; (6)Voltage on PH1: -0.3 to 24 V; (7)Voltage on FB1, CMP1, FB2, CMP2, FB3, CMP3: -0.3 to 3.6 V; (8)Voltage on PH2, PH3, LDRV: -0.3 to 7.0 V; (9)Voltage on BST2, BST3: -0.3 to 15V V; (10)Voltage on VMON1, VMON2, VMON3: -0.3 to 3.6 V; (11)Output Current BUCK2, BUCK3: 3.8 A; (12)Peak output current: Internally limited; (13)ESD rating, Human body model (HBM): 2 kV; Charged device model (CDM) 500 V; (14)θJA Thermal Resistance-Junction to ambient: 25℃/W; (15)Continuous total power dissipation 55℃ no thermal warning: 2.6 W; (16)TJ, Operating virtual junction temperature range: 0 to 150℃; (17)TA, Operating ambient temperature range: 0 to 85℃; (18)TSTG, Storage temperature range: -65 to 150℃.
Features
TPS65230 features: (1)Wide Input Supply Voltage Range (10.8 V - 22 V); (2)One Adjustable PWM Buck Controller, One Adjustable PWM Buck Controller, 3.3-V - 6.1-V Output Voltage Range, 500kHz switching frequency, Type III Compensation, Programmable Current Limit; (3)Two Adjustable Step-Down Converter with Integrated Switching FETs: 4.75-V - 5.5-V Input; 0.9-V-3.3-V Output Voltage Range; 3-A Output Current; 1-MHz Switching Frequency; Voltage Scaling Option; Type III Compensation; (4)Two 100-mΩ, 0.5-A (TPS65230) 1-A (TPS65231) USB Switches with Over Current Protection and Open-Drain Fault Pin; (5)Early Supply Failure Flag (Open Drain Output); (6)is Set when Input Voltage Drops Below 9.3 V; (7)Early Temperature Warning Flag (Open Drain Output) is Set if Temperature Approaches Shut-Down Threshold.
Diagrams

| Image | Part No | Mfg | Description | ![]() |
Pricing (USD) |
Quantity | ||||||||||||
|---|---|---|---|---|---|---|---|---|---|---|---|---|---|---|---|---|---|---|
![]() |
![]() TPS65230A2DCA |
![]() Texas Instruments |
![]() PMIC Solutions Pwr Mgmt IC for Dig Set Top Boxes |
![]() Data Sheet |
![]()
|
|
||||||||||||
![]() |
![]() TPS65230A2DCAR |
![]() Texas Instruments |
![]() PMIC Solutions Pwr Mgmt IC for Dig Set Top Boxes |
![]() Data Sheet |
![]()
|
|
||||||||||||
(China (Mainland))









