Product Summary
The XC95288XL-10TQG144I is a high performance CPLD.
Parametrics
XC95288XL-10TQG144I absolute maximum ratings: (1)VCC Supply voltage relative to GND: –0.5 to 4.0 V; (2)VIN Input voltage relative to GND: –0.5 to 5.5 V; (3)VTS Voltage applied to 3-state output: –0.5 to 5.5 V; (4)TSTG Storage temperature (ambient): –65 to +150 ℃; (5)TJ Junction temperature: +150 ℃.
Features
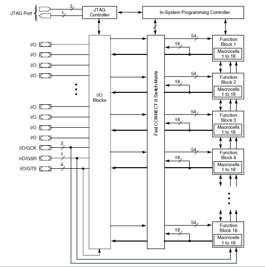
XC95288XL-10TQG144I features: (1)6 ns pin-to-pin logic delays; (2)System frequency up to 208 MHz; (3)288 macrocells with 6,400 usable gates; (4)Available in small footprint packages; (5)Optimized for high-performance 3.3V systems; (6)Fast concurrent programming; (7)Slew rate control on individual outputs; (8)Enhanced data security features; (9)Excellent quality and reliability.
Diagrams

| Image | Part No | Mfg | Description | ![]() |
Pricing (USD) |
Quantity | ||||||||||||||||
|---|---|---|---|---|---|---|---|---|---|---|---|---|---|---|---|---|---|---|---|---|---|---|
![]() |
![]() XC95288XL-10TQG144I |
![]() |
![]() IC CPLD 6.4K 288MCELL 144-TQFP |
![]() Data Sheet |
![]()
|
|
||||||||||||||||
| Image | Part No | Mfg | Description | ![]() |
Pricing (USD) |
Quantity | ||||||||||||||||
![]() |
![]() XC9500 |
![]() Other |
![]() |
![]() Data Sheet |
![]() Negotiable |
|
||||||||||||||||
![]() |
![]() XC9500XV |
![]() Other |
![]() |
![]() Data Sheet |
![]() Negotiable |
|
||||||||||||||||
![]() |
![]() XC9501 |
![]() Other |
![]() |
![]() Data Sheet |
![]() Negotiable |
|
||||||||||||||||
![]() |
![]() XC9502 |
![]() Other |
![]() |
![]() Data Sheet |
![]() Negotiable |
|
||||||||||||||||
![]() |
![]() XC9503 |
![]() Other |
![]() |
![]() Data Sheet |
![]() Negotiable |
|
||||||||||||||||
![]() |
![]() XC9503B093AR-G |
![]() |
![]() IC REG BUCK ADJ 1A DL 10MSOP |
![]() Data Sheet |
![]()
|
|
||||||||||||||||
(China (Mainland))










