Product Summary
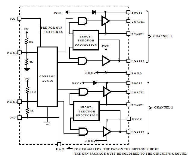
The 6614ACB is a Dual Advanced Synchronous Rectified Buck MOSFET Driver. The 6614ACB is specifically designed to drive two Channel MOSFETs in asynchronous rectified buck converter topology. These drivers combined with HIP63xx or ISL65xx Multi-Phase Buck PWM controllers and N-Channel MOSFETs form complete core-voltage regulator solutions for advanced microprocessors. The 6614ACB drives both the upper and lower gates simultaneously over a range from 5V to 12V. The applications of it are Core Regulators for Intel and AMD Microprocessors, High Current DC/DC Converters, High Frequency and High Efficiency VRM and VRD.
Parametrics
6614ACB absolute maximum ratings: (1)Supply Voltage (VCC): 15V; (2)Supply Voltage (PVCC): VCC + 0.3V; (3)BOOT Voltage (VBOOT-GND):36V; (4)Input Voltage (VPWM): GND - 0.3V to 7V; (5)UGATE:VPHASE - 0.3VDC to VBOOT + 0.3V, VPHASE - 3.5V (<100ns Pulse Width, 2μJ) to VBOOT + 0.3V; (6)LGATE: GND - 0.3VDC to VPVCC + 0.3V, GND - 5V (<100ns Pulse Width, 2μJ) to VPVCC + 0.3V; (7)PHASE: GND - 0.3VDC to 15VDC, GND - 8V (<400ns, 20μJ) to 30V(<200ns, VBOOT-GND<36V); (8)ESD Rating: Human Body Model: Class I JEDEC STD.
Features
6614ACB features: (1)Pin-to-pin Compatible with HIP6602 SOIC family ; (2)Quad N-Channel MOSFET Drives for Two Synchronous Rectified Bridges; (3)Advanced Adaptive Zero Shoot-Through Protection: Body Diode Detection, Auto-zero of rDS(ON) Conduction Offset Effect; (4)Adjustable Gate Voltage (5V to 12V) for Optimal Efficiency; (5)Internal Bootstrap Schottky Diode; (6)Bootstrap Capacitor Overcharging Prevention; (7)Supports High Switching Frequency (up to 1MHz): 3A Sinking Current Capability, Fast Rise/Fall Times and Low Propagation Delays; (8)Three-State PWM Input for Output Stage Shutdown; (9)Three-State PWM Input Hysteresis for Applications With Power Sequencing Requirement; (10)Pre-POR Overvoltage Protection; (11)VCC Undervoltage Protection; (12)Expandable Bottom Copper Pad for Enhanced Heat Sinking; (13)QFN Package: Compliant to JEDEC PUB95 MO-220 QFN - Quad Flat No Leads - Package Outline, Near Chip Scale Package footprint, which improves, PCB efficiency and has a thinner profile; (14)Pb-Free Plus Anneal Available (RoHS Compliant).
Diagrams

![]() |
![]() 6614114002 |
![]() TE Connectivity |
![]() Heat Shrink Tubing & Sleeves NTFR-3/8-0-SP |
![]() Data Sheet |
![]() Negotiable |
|
||||||
![]() |
![]() 66143-103 |
![]() Other |
![]() |
![]() Data Sheet |
![]() Negotiable |
|
||||||
![]() |
![]() 66143-104 |
![]() Other |
![]() |
![]() Data Sheet |
![]() Negotiable |
|
||||||
![]() |
![]() 66144-2 |
![]() TE Connectivity / AMP |
![]() Headers & Wire Housings AMP TAB STRIP |
![]() Data Sheet |
![]()
|
|
||||||
![]() |
![]() 66144-3 |
![]() TE Connectivity |
![]() Headers & Wire Housings AMP TAB STRIP |
![]() Data Sheet |
![]()
|
|
||||||
![]() |
![]() 66147 |
![]() Other |
![]() |
![]() Data Sheet |
![]() Negotiable |
|
||||||
(China (Mainland))










