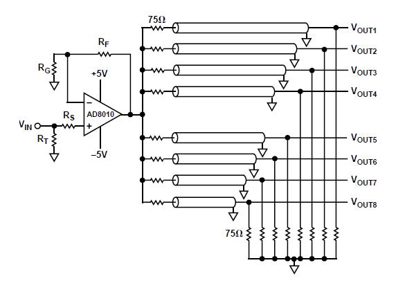
Product Summary
The AD80100 is a low power, high current amplifier capable of delivering a minimum load drive of 175 mA. Signal performance such as 0.02% and 0.03° differential gain and phase error is maintained while driving eight 75 W back terminated video lines. The current feedback amplifier features gain flatness to 60 MHz and –3 dB (G = +1) signal bandwidth of 230 MHz and only requires a typical of 15.5 mA supply current from ±5 V supplies. These features make the AD8010 an ideal component for Video Distribution Amplifiers or as the drive amplifier within high data rate Digital Subscriber Line (VDSL and xDSL) systems. The applications of the AD80100 include Video Distribution Amplifier, VDSL, xDSL Line Driver, Communications, ATE, Instrumentation.
Parametrics
AD80100 absolute maximum ratings: (1)Supply Voltage: 12.6V; (2)Internal Power Dissipation2, Plastic Package (N): Observe Power Derating Curves; Small Outline Package (R): Observe Power Derating Curves; Wide Body SOIC (R-16): Observe Power Derating Curves; (3)Input Voltage (Common-Mode): ±VS; (4)Differential Input Voltage: ±1.2V; (5)Output Short Circuit Duration: Observe Power Derating Curves; (6)Storage Temperature Range N, R: -65℃ to +125℃; (7)Operating Temperature Range (A Grade): -40℃ to +85℃; (8)Lead Temperature Range (Soldering 10 sec): +300℃.
Features
AD80100 features: (1)200 mA of Output Current, 9 V Load; SFDR –54 dBc @ 1 MHz; Differential Gain Error 0.04%, f = 4.43 MHz; Differential Phase Error 0.068, f = 4.43 MHz; (2)Maintains Video Specifications Driving Eight Parallel 75 V Loads, 0.02% Differential Gain; 0.038 Differential Phase; 0.1 dB Gain Flatness to 60 MHz; (3)THD –72 dBc @ 1 MHz, RL = 18.75 V; (4)IP3 42 dBm @ 5 MHz, RL = 18.75 V; (5)1 dB Gain Compression 21 dBm @ 5 MHz, RL = 100 V; (6)230 MHz –3 dB Bandwidth, G = +1, RL = 18.75 V; (7)800 V/ms Slew Rate, RL = 18.75 V; (8)25 ns Settling Time to 0.1%; (9)Available in 8-Lead DIP, 16-Lead Wide Body SOIC and Thermally Enhanced 8-Lead SOIC.
Diagrams

(China (Mainland))






