Product Summary
The AR9280-AL1A is a rectifier diode.
Parametrics
AR9280-AL1A absolute maximum ratings: (1)VRRM: 2900V; (2)VRSM: 3000V; (3)IRRM: 50mA; (4)IF(AV), TH=55℃: 1230A; (5)IF(AV), TC=85℃: 1170A.
Features
AR9280-AL1A features: (1)Repetitive voltage up to: 2900V; (2)Mean forward current: 1230A; (3)Surge current: 10.1 kA.
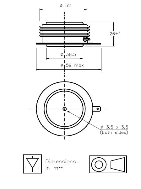
Diagrams

(China (Mainland))






