Product Summary
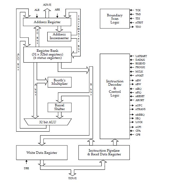
The ARM6511EL1 is a low power, general purpose 32-bit RISC microprocessor. It is an implementation of the ARM6511EL1 macrocell, packaged in a 100 pin Metric Quad Flat Pack. Its simple, elegant and fully static design is particularly suitable for cost and power sensitive applications. The applications of the ARM6511EL1 include Telecomms, eg GSM terminal controller; Datacomms, eg protocol conversion; Portable Computing, eg palmtop computer; Portable Instruments, eg handheld data acquisition unit; Automotive, eg engine management unit; Consumer Multimedia, low cost controller.
Parametrics
ARM6511EL1 absolute maximum ratings: (1)VDD, Supply voltage: 0.0 to 7.0 V; (2)Vip, Voltage applied to input pin: -0.5 to 7.0 V; (3)Vop, Voltage applied to output pin: -0.5 to Vdd+0.3 V; (4)Osct, Output short circuit time: 1 S; (5)Ts, Storage temperature: -65 to 150 deg.C; (6)Ta, Ambient operating temperature: -10 to 85 deg.C; (7)Pd, Maximum power dissipation: 2.0 W.
Features
ARM6511EL1 features: (1)32 bit RISC processor; (2)32 bit data bus; (3)32 bit address bus; (4)Big and Little Endian operating modes; (5)High performance RISC 21 MIPS sustained @ 30MHz (30 MIPS peak) @ 5V; (6)Low power consumption 1.5mA/MHz @ 5V fabricated in 1mm CMOS; (7)Fully static operation ideal for power sensitive applications; (8)Fast interrupt response for real-time applications; (9)Virtual Memory System Support; (10)Excellent high-level language support; (11)Simple but powerful instruction set; (12)IEEE 1149.1 (JTAG) Boundary Scan to ease testing.
Diagrams

(China (Mainland))






