Product Summary
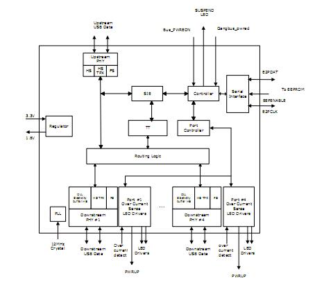
The AU6254 is a USB2.0 Hub Controller. It is a fully compliant with the USB 2.0 hub specification and is designed to work with USB host as a high-speed hub. Its built-in TT (Transaction Translator) allows system to benefit combinational performance under the unbalanced traffic condition. The AU6254 supports four USB downstream ports and one upstream port. Each downstream port could be a device of high-speed, full-speed or low-speed traffic, while the upstream port supports both high-speed and full-speed traffic.
Parametrics
AU6254 absolute maximum ratings: (1)Power Supply:- 0.3 to 4.0V ; (2)Input signal Voltage for I/O pins:-0.3V to VDDH; (3)Output Voltage:±0.3V to VDDH; (4)Storage Temperature:-40 to 150℃.
Features
AU6254 features: (1)Fully compliant with USB Hub Specification version 2.0 and is also backward compatible with USB Hub specification 1.1 ; (2)Single chip USB 2.0 hub controller; (3)Supports four bus-powered/self-powered downstream ports; (4)Supports automatic switching between bus- and self-powered modes; (5)Cost effective design using one transaction translator for all downstream ports ; (6)Two-color LED controls available for each downstream port to indicate the status of each device port; (7)Extra low power consumption; (8)On chip internal pull-up and meets USB bus power regain emend pull down ; (9)resistors for all data line; (10)Built-in USB 2.0 transceiver; (11)Supports individual and gang modes of power management; (12)Built-in power switch control for over current sensing control; (13)Built-in 1.8V regulator for core logic; (14)Embedded in PLL (Phase Lock Loop) circuit for 12MHz operation precision; (15)Supports external EEPROM interface for customized PID and VID; (16)Available in two different form factors: 48-pin LQFP package and 64-pin LQFP package.
Diagrams

| Image | Part No | Mfg | Description | ![]() |
Pricing (USD) |
Quantity | ||||
|---|---|---|---|---|---|---|---|---|---|---|
![]() |
![]() AU6254 |
![]() Other |
![]() |
![]() Data Sheet |
![]() Negotiable |
|
||||
| Image | Part No | Mfg | Description | ![]() |
Pricing (USD) |
Quantity | ||||
![]() |
![]() AU6254 |
![]() Other |
![]() |
![]() Data Sheet |
![]() Negotiable |
|
||||
(China (Mainland))









