Product Summary
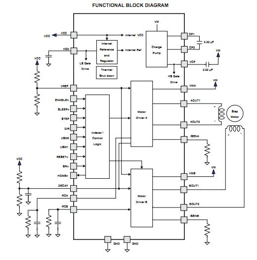
The DRV8833PWPR is an integrated stepper motor driver solution for printers, scanners, and other automated equipment applications. The DRV8833PWPR has two H-bridge drivers, as well as microstepping indexer logic to control a stepper motor. The output driver block for each consists of N-channel power MOSFETs configured as full H-bridges to drive the motor windings. The applications of the DRV8833PWPR include Printers, Scanners, Office Automation Machines, Gaming Machines, Factory Automation and Robotics.
Parametrics
DRV8833PWPR absolute maximum ratings: (1)VMX, Power supply voltage range: –0.3 to 40 V; (2)VCC, Power supply voltage range: –0.3 to 7 V; (3)Digital pin voltage range: –0.5V to VCC; (4)VREF, Input voltage range: –0.3 V to VCC; (5)ISENSEx pin voltage range: –0.3 to 0.5 V; (6)IO(peak), Peak motor drive output current, t < 1 ms: 6 A; (7)IO, Continuous motor drive output current: ±2.5 A; (8)TJ, Operating virtual junction temperature range: –40 to 150℃; (9)TA, Operating ambient temperature range: –40 to 85℃; (10)Tstg, Storage temperature range: –60 to 150℃.
Features
DRV8833PWPR features: (1)Pulse Width Modulation (PWM) Microstepping Motor Driver: Built-In Microstepping Indexer; Up to 2.5-A Current Per Winding; Three-Bit Winding Current Control Allows up to Eight Current Levels; Low MOSFET On-Resistance; (2)8-V to 38-V Operating Supply Voltage Range; (3)Thermally Enhanced Surface Mount Package.
Diagrams

| Image | Part No | Mfg | Description | ![]() |
Pricing (USD) |
Quantity | ||||||||||||
|---|---|---|---|---|---|---|---|---|---|---|---|---|---|---|---|---|---|---|
![]() |
![]() DRV8833PWPR |
![]() Texas Instruments |
![]() Motor / Motion / Ignition Controllers & Drivers 2A LO VLTG BIPOLAR STEPPER MOTOR DRIVER |
![]() Data Sheet |
![]()
|
|
||||||||||||
| Image | Part No | Mfg | Description | ![]() |
Pricing (USD) |
Quantity | ||||||||||||
![]() |
![]() DRV8301DCA |
![]() Texas Instruments |
![]() Motor / Motion / Ignition Controllers & Drivers 3-PHASE BRUSHLESS MOTOR PRE-DRIVER |
![]() Data Sheet |
![]()
|
|
||||||||||||
![]() |
![]() DRV8301DCAR |
![]() Texas Instruments |
![]() Motor / Motion / Ignition Controllers & Drivers 3-PHASE BRUSHLESS MOTOR PRE-DRIVER |
![]() Data Sheet |
![]()
|
|
||||||||||||
![]() |
![]() DRV8301-HC-C2-KIT |
![]() Texas Instruments |
![]() Power Management IC Development Tools 3 Phase BLDC & PMSM Motor Kit |
![]() Data Sheet |
![]()
|
|
||||||||||||
![]() |
![]() DRV8301-LS31-KIT |
![]() Texas Instruments |
![]() Power Management IC Development Tools 3-Phase BLDC, PMSM Motor Kit |
![]() Data Sheet |
![]()
|
|
||||||||||||
![]() |
![]() DRV8301-RM48-KIT |
![]() Texas Instruments |
![]() Power Management IC Development Tools 3-Phase BLDC, PMSM Motor Kit |
![]() Data Sheet |
![]()
|
|
||||||||||||
![]() |
![]() DRV8302DCA |
![]() Texas Instruments |
![]() Motor / Motion / Ignition Controllers & Drivers 3-PHASE BRUSHLESS MOTOR PRE-DRIVER |
![]() Data Sheet |
![]()
|
|
||||||||||||
(China (Mainland))














