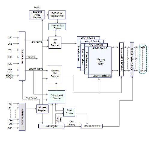
Product Summary
The H55S2562JFR-60M-C is suited for non-PC application which use the batteries such as PDAS and 3G celluiar phones with internet access and mini-notebook, hand-held PCs. The H55S2562JFR-60M-C Mobile SDRAM is COMS Mobile Synchronous DRAM (Mobile SDR) , ideally suited for the main memory applications which requires large memory density and high bandwith. The H55S2562JFR-60M-C is organized as 4banks of 4, 194, 304 ×16.
Parametrics
H55S2562JFR-60M-C absolute maximum ratings: (1) Ambient Temperature TA: -30 to 85°C; (2) Storage Temperature TSTG: -55°C to 125°C; (3) Voltage on Any Pin relative to VSS, VIN, VOUT: -1.0 to 2.6V; (4) Voltage on VDD relative to VSS, VDD: -1.0 to 2.6V; (5) Short Circuit Output Current, IOS: 50mA; (6) Power Dissipation, PD: 1W; (7) Soldering Temperature Time: 260. 20°C Sec.
Features
H55S2562JFR-60M-C features: (1) Standard SDARM Protocol; (2) Clock Synchronization Operation; (3) Multibank operation- Internal 4bank operation; (4) Power Supply Voltage: VDD=1.8V,VDDQ=1.8V; (5) Programmable CASlatency of 3 or 2; (6) Programmable Drive Strength.
Diagrams

(China (Mainland))






