Product Summary
The HSMC-C680 is a High Performance chip-type LED utilizes Aluminum Indium Gallium Phosphide (AlInGaP) material technology. The AlInGaP material has a very high luminous efficiency, capable of producing high light output over a wide range of drive currents. The available colors in this surface mount series are 592 nm Amber, 605 nm Orange, 626 nm Red for AS AlInGaP and 631 nm red for TS AlInGaP.
Parametrics
HSMC-C680 absolute maximum ratings: (1)DC Forward Current: 25 mA; (2)Power Dissipation: 60 mW; (3)Reverse Voltage (IR = 100 μA): 5 V; (4)LED Junction Temperature: 95℃; (5)Operating Temperature Range: -30 to +85℃; (6)Storage Temperature Range: -40 to +85℃.
Features
HSMC-C680 features: (1)High brightness AlInGaP material; (2)Small size; (3)Industry standard footprint; (4)Diffused optics; (5)Top emitting or right angle emitting; (6)Available in 3 colors (red, orange, amber); (7)Compatible with IR soldering; (8)Available in 8 mm tape on 7" diameter reel; (9)Reel sealed in zip locked moisture barrier bags.
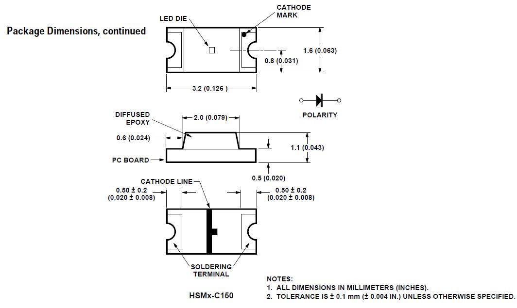
Diagrams

| Image | Part No | Mfg | Description | ![]() |
Pricing (USD) |
Quantity | ||||||||||||
|---|---|---|---|---|---|---|---|---|---|---|---|---|---|---|---|---|---|---|
![]() |
![]() HSMC-C680 |
![]() Avago Technologies |
![]() Standard LED - SMD Red Clear 630nm 62.3mcd |
![]() Data Sheet |
![]()
|
|
||||||||||||
| Image | Part No | Mfg | Description | ![]() |
Pricing (USD) |
Quantity | ||||||||||||
![]() |
![]() HSMC3842 |
![]() Other |
![]() |
![]() Data Sheet |
![]() Negotiable |
|
||||||||||||
![]() |
![]() HSMC-A100-P30J1 |
![]() Avago Technologies |
![]() Standard LED - SMD Red Red |
![]() Data Sheet |
![]() Negotiable |
|
||||||||||||
![]() |
![]() HSMC-A100-P40J1 |
![]() Other |
![]() |
![]() Data Sheet |
![]() Negotiable |
|
||||||||||||
![]() |
![]() HSMC-A100-P70J1 |
![]() Avago Technologies |
![]() Standard LED - SMD Red Red |
![]() Data Sheet |
![]()
|
|
||||||||||||
![]() |
![]() HSMC-A100-Q00J1 |
![]() Avago Technologies |
![]() Standard LED - SMD Red Epoxy Lens 626nm 100mcd |
![]() Data Sheet |
![]()
|
|
||||||||||||
![]() |
![]() HSMC-A100-Q70J1 |
![]() Avago Technologies |
![]() Standard LED - SMD Red Red |
![]() Data Sheet |
![]()
|
|
||||||||||||
(China (Mainland))










