Product Summary
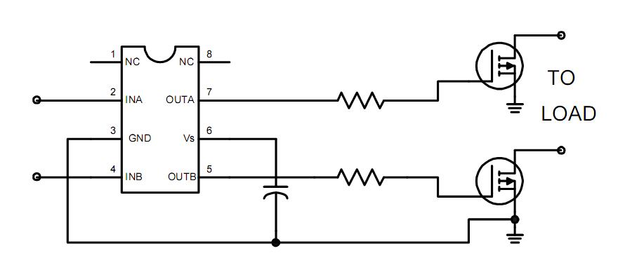
The IRS4427S is a low voltage, high speed power MOSFET and IGBT driver. Proprietary latch immune CMOS technologies of the IRS4427S enable ruggedized monolithic construction. Logic inputs are compatible with standard CMOS or LSTTL outputs. The IRS4427S features a high pulse current buffer stage designed for minimum driver cross-conduction. Propagation delays of the IRS4427S between two channels are matched.
Parametrics
IRS4427S absolute maximum ratings: (1) Fixed supply voltage VS: -0.3V to 20V; (2) Output voltage Vo: -0.3V to VS +0.3V; (3) Logic input voltage VIN: -0.3V to VS +0.3V; (4) Junction temperature TJ: 150°C; (5) Storage temperature Ts: -55 to 150°C; (6) Lead temperature (soldering, 10 seconds) TL: 300°C.
Features
IRS4427S features: (1) Gate drive supply range from 6V to 20V; (2) CMOS Schmitt-triggered inputs; (3) Matched propagation delay for both channels; (4) Outputs out of phase with inputs (IRS4426); (5) Outputs in phase with inputs (IRS4427) ; (6) OutputA out of phase with inputA and outputB in phase with inputB (IRS4428); (7) RoHS compliant.
Diagrams

| Image | Part No | Mfg | Description | ![]() |
Pricing (USD) |
Quantity | ||||||||||||
|---|---|---|---|---|---|---|---|---|---|---|---|---|---|---|---|---|---|---|
![]() |
![]() IRS4427SPBF |
![]() International Rectifier |
![]() Power Driver ICs |
![]() Data Sheet |
![]()
|
|
||||||||||||
![]() |
![]() IRS4427STRPBF |
![]() International Rectifier |
![]() Power Driver ICs Dual Low Side Drvr Low Voltage |
![]() Data Sheet |
![]()
|
|
||||||||||||
(China (Mainland))









