Product Summary
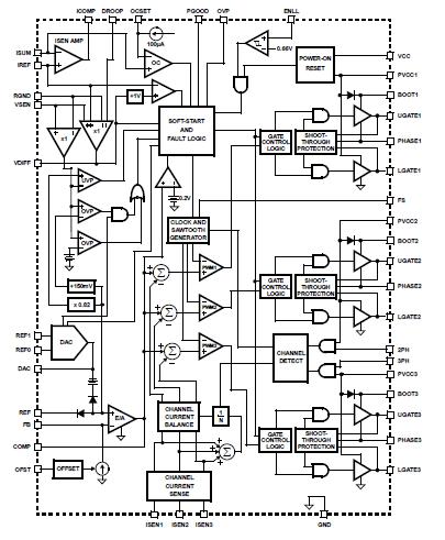
The ISL6308CRZ is a three-phase PWM control IC with integrated MOSFET drivers. It provides a precision voltage regulation system for multiple applications including, but not limited to, high current low voltage point-of-load converters, embedded applications and other general purpose low voltage medium to high current applications. The integration of power MOSFET drivers into the controller IC marks a departure from the separate PWM controller and driver configuration of previous multi-phase product families. The applications of the ISL6308CRZ include High Current DDR/Chipset core voltage regulators, High Current, Low voltage DC/DC converters, High Current, Low voltage FPGA/ASIC DC/DC converters.
Parametrics
ISL6308CRZ absolute maximum ratings: (1)Supply Voltage, VCC: -0.3V to +6V; (2)Supply Voltage, PVCC: -0.3V to +15V; (3)Absolute Boot Voltage, VBOOT: GND -0.3V to GND +36V; (4)Phase Voltage, VPHASE: GND -0.3V to 15V (PVCC = 12), GND -8V (<400ns, 20μJ) to 24V (<200ns, VBOOT-PHASE = 12V); (5)Upper Gate Voltage, VUGATE: VPHASE - 0.3V to VBOOT + 0.3V, VPHASE - 3.5V (<100ns Pulse Width, 2μJ) to VBOOT + 0.3V; (6)Lower Gate Voltage, VLGATE: GND - 0.3V to PVCC + 0.3V, GND -5V (<100ns Pulse Width, 2μJ) to PVCC+ 0.3V; (7)Input, Output, or I/O Voltage: GND - 0.3V to VCC + 0.3V; (8)ESD Classification: Class I JEDEC STD.
Features
ISL6308CRZ features: (1)Integrated Multi-Phase Power Conversion, 1, 2, or 3 Phase Operation; (2)Precision Output Voltage Regulation, Differential Remote Voltage Sensing; ±0.8% System Accuracy Over Temperature; (3)(for REF=0.6V and 0.9V); ±0.5% System Accuracy Over Temperature (for REF=1.2V and 1.5V); Usable for output voltages not exceeding 2.3V; Adjustable Reference-Voltage Offset; (4)Precision Channel Current Sharing, Uses Loss-Less rDS(ON) Current Sampling; Optional Load Line (Droop) Programming; Uses Loss-Less Inductor DCR Current Sampling; (5)Variable Gate-Drive Bias - 5V to 12V; (6)Internal or External Reference Voltage Setting, On-Chip Adjustable Fixed DAC Reference voltage with 2-bit Logic Input Selects from Four Fixed Reference Voltages (0.6V, 0.9V, 1.2V, 1.5V); Reference can be Changed Dynamically; Can use an External Voltage Reference; (7)Overcurrent Protection.
Diagrams

| Image | Part No | Mfg | Description | ![]() |
Pricing (USD) |
Quantity | ||||||||||
|---|---|---|---|---|---|---|---|---|---|---|---|---|---|---|---|---|
![]() |
![]() ISL6308CRZ |
![]() Intersil |
![]() Voltage Mode PWM Controllers DAC-LESS MULTI-PHS PWM CNTRLR W/3-DRVRS |
![]() Data Sheet |
![]()
|
|
||||||||||
![]() |
![]() ISL6308CRZ-T |
![]() Intersil |
![]() Voltage Mode PWM Controllers DAC-LESS MULTI-PHS PWM CNTRLR W/3-DRVRS |
![]() Data Sheet |
![]()
|
|
||||||||||
(China (Mainland))









