Product Summary
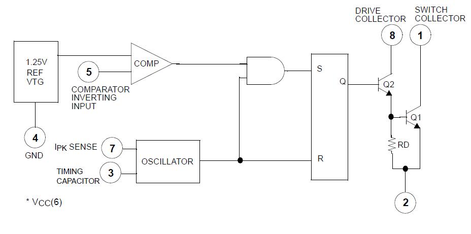
The KA34063A is a monolithic regulator sub system intended for use as DC to DC converter. The KA34063A contains a temperature compensated bandgap reference, a duty cycle control oscillator, a driver, and a high current output switch. It can be used for step down, step up or inverting switching regulators as well as for series pass regulators.
Parametrics
KA34063A absolute maximum ratings: (1)Supply Voltage, VCC: 40 V; (2)Comparator Input Voltage Range, VI(COMP): -0.3 ~ +40 V; (3)Switch Collector Voltage, VC(SW): 40 V; (4)Switch Emitter Voltage, VE(SW): 40 V; (5)Switch Collector To Emitter Voltage, VCE(SW): 40 V; (6)Driver Collector Voltage, VC(DR): 40 V; (7)Switch Current, ISW: 1.5 A; (8)Storage Temperature Range, TSTG: -65 ~ +150℃.
Features
KA34063A features: (1)Operation From 3.0 to 40V Input; (2)Short Circuit Current Limiting; (3)Low Stand-by Current; (4)Output Switch Current of 1.5A Without External Transistors; (5)Output Voltage Adjustable; (6)Frequency of Operation From 100Hz to 100kHz; (7)Step-up, Step-Down or Inverting Switching Regulators.
Diagrams

| Image | Part No | Mfg | Description | ![]() |
Pricing (USD) |
Quantity | ||||||||||||
|---|---|---|---|---|---|---|---|---|---|---|---|---|---|---|---|---|---|---|
![]() |
![]() KA34063A |
![]() Fairchild Semiconductor |
![]() DC/DC Switching Controllers SMPS Controller |
![]() Data Sheet |
![]()
|
|
||||||||||||
![]() |
![]() KA34063A_Q |
![]() Fairchild Semiconductor |
![]() DC/DC Switching Controllers SMPS Controller |
![]() Data Sheet |
![]() Negotiable |
|
||||||||||||
![]() |
![]() KA34063ADTF |
![]() Fairchild Semiconductor |
![]() DC/DC Switching Controllers SMPS Controller |
![]() Data Sheet |
![]()
|
|
||||||||||||
![]() |
![]() KA34063AD |
![]() Fairchild Semiconductor |
![]() DC/DC Switching Controllers SMPS Controller |
![]() Data Sheet |
![]() Negotiable |
|
||||||||||||
![]() |
![]() KA34063ADSTF |
![]() Fairchild Semiconductor |
![]() DC/DC Switching Controllers DC-DC CONVERTER |
![]() Data Sheet |
![]() Negotiable |
|
||||||||||||
(China (Mainland))









