Product Summary
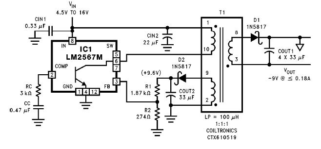
The LM2567HV-ADJ is a DC/DC converter intended for use in LAN applications as a power supply for the DP8392 Coaxial Transceiver. The converter may be operated from an input voltage of 5V (g10%) to 15V. It provides an isolated output of b9V for loads of up to 180 mA, with an efficiency of 78% (typical). The few external components required for the converter are completely specified within this datasheet. Protection features for the LM2567-based DC/DC converter include thermal and current limit. The applications of the LM2567HV-ADJ include Power supply for DP8392 (LAN) coaxial transceiver: Isolated b9V output for up to 180 mA load.
Parametrics
LM2567HV-ADJ absolute maximum ratings: (1)Supply Voltage: 40V; (2)Output Switch Voltage: 50V; (3)Output Switch Current: 6.0A; (4)Power Dissipation: Internally Limited; (5)Storage Temperature Range: -65℃ to +150℃; (6)Lead Temperature (Soldering, 10 sec.): 260℃; (7)Maximum Junction Temperature: 150℃; (8)Minimum ESD Rating (C e 100 pF, R e 1.5 kX): 2kV.
Features
LM2567HV-ADJ features: (1)Wide input voltage range, 5V to 15V; (2)Tight line regulation, 0.5% (typ); (3)Output voltage tolerance g5%; (4)Few external components required; (5)Surface-mount packaging; (6)Fixed switching frequency of 52 kHz; (7)Current-mode operation for improved transient response.
Diagrams

(China (Mainland))






