Product Summary
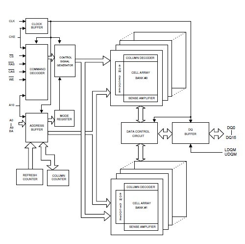
The W986416DH-7 is a high-speed synchronous dynamic random access memory (SDRAM), organized as 1M words x 4 banks x 16 bits. Using pipelined architecture and 0.175 mm process technology, the W986416DH-7 delivers a data bandwidth of up to 400M bytes per second (-5). For different application, the W986416DH-7 is sorted into the following speed grades: -5, -6, -7. The -5 parts can run up to 200 MHz/CL3.
Parametrics
W986416DH-7 absolute maximum ratings: (1)Input, Output Voltage VIN, VOUT: -0.3~ VCC + 0.3 V; (2)Power Supply Voltage VCC, VCCQ: -0.3~ 4.6 V; (3)Operating Temperature for -5/-6/-7 TOPR: 0 ~ 70 ℃; (4)Operating Temperature for -6I/-6A/-7I TOPR: -40 ~ 85 ℃; (5)Storage Temperature TSTG: -55 ~ 150 ℃; (6)Soldering Temperature (10s) TSOLDER: 260 ℃; (7)Power Dissipation PD: 1 W; (8)Short Circuit Output Current IOUT: 50 mA.
Features
W986416DH-7 features: (1)3.3V ±0.3V power supply ; (2)1048576 words x 4 banks x 16 bits organization ; (3)Self Refresh Current: Standard and Low Power ; (4)CAS latency: 2 and 3 ; (5)Burst Length: 1, 2, 4, 8, and full page ; (6)Sequential and Interleave burst ; (7)Burst read, single write operation ; (8)Byte data controlled by DQM ; (9)Power-down Mode ; (10)Auto-precharge and controlled precharge ; (11)4K refresh cycles/64 mS ; (12)Interface: LVTTL ; (13)Packaged in TSOP II 54-pin, 400 mil - 0.80.
Diagrams

![]() |
![]() W986408AH |
![]() Other |
![]() |
![]() Data Sheet |
![]() Negotiable |
|
||||
![]() |
![]() W986408BH |
![]() Other |
![]() |
![]() Data Sheet |
![]() Negotiable |
|
||||
![]() |
![]() W986408CH |
![]() Other |
![]() |
![]() Data Sheet |
![]() Negotiable |
|
||||
![]() |
![]() W986416AH |
![]() Other |
![]() |
![]() Data Sheet |
![]() Negotiable |
|
||||
![]() |
![]() W986416BH |
![]() Other |
![]() |
![]() Data Sheet |
![]() Negotiable |
|
||||
![]() |
![]() W986416CH |
![]() Other |
![]() |
![]() Data Sheet |
![]() Negotiable |
|
||||
(China (Mainland))








