Product Summary
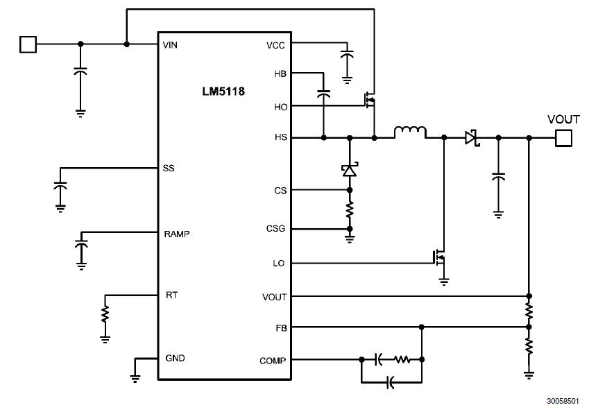
The LM5118MHX is a wide voltage range Buck-Boost switching regulator controller features all of the functions necessary to implement a high performance, cost efficient Buck-Boost regulator using a minimum of external components. The Buck-Boost topology maintains output voltage regulation when the input voltage is either less than or greater than the output voltage making it especially suitable for automotive applications. The LM5118MHX operates as a buck regulator while the input voltage is sufficiently greater than the regulated output voltage and gradually transitions to the buck-boost mode as the input voltage approaches the output.
Parametrics
LM5118MHX absolute maximum ratings: (1)VIN, EN, VOUT to GND: -0.3V to 76V; (2)VCC, LO, VCCX, UVLO to GND (Note 5): -0.3 to 15V; (3)HB to HS: -0.3 to 15V; (4)HO to HS: -0.3 to HB+0.3V; (5)HS to GND: -4V to 76V; (6)CSG, CS to GND: -0.3V to +0.3V; (7)RAMP, SS, COMP, FB, SYNC, RT to GND: -0.3 to 7V; (8)ESD Rating HBM (Note 2): 2 kV; (9)Storage Temperature Range: -55℃ to +150℃; (10)Junction Temperature: +150℃.
Features
LM5118MHX features: (1)Ultra-wide input voltage range from 3V to 75V; (2)Emulated peak current mode control; (3)Smooth transition between step-down and step- up modes; (4)Switching frequency programmable to 500KHz; (5)Oscillator synchronization capability; (6)Internal high voltage bias regulator; (7)Integrated high and low-side gate drivers; (8)Programmable soft-start time; (9)Ultra low shutdown current; (10)Enable input wide bandwidth error amplifier; (11)1.5% feedback reference accuracy; (12)Thermal shutdown.
Diagrams

| Image | Part No | Mfg | Description | ![]() |
Pricing (USD) |
Quantity | ||||||||||||
|---|---|---|---|---|---|---|---|---|---|---|---|---|---|---|---|---|---|---|
![]() |
![]() LM5118MHX/NOPB |
![]() National Semiconductor (TI) |
![]() DC/DC Switching Controllers |
![]() Data Sheet |
![]()
|
|
||||||||||||
| Image | Part No | Mfg | Description | ![]() |
Pricing (USD) |
Quantity | ||||||||||||
![]() |
![]() LM5100 |
![]() Other |
![]() |
![]() Data Sheet |
![]() Negotiable |
|
||||||||||||
![]() |
![]() LM5100A |
![]() Other |
![]() |
![]() Data Sheet |
![]() Negotiable |
|
||||||||||||
![]() |
![]() LM5100AM |
![]() National Semiconductor (TI) |
![]() Power Driver ICs |
![]() Data Sheet |
![]()
|
|
||||||||||||
![]() |
![]() LM5100AM/NOPB |
![]() National Semiconductor (TI) |
![]() Power Driver ICs 100V 3Amp 1/2-Bridge Driver |
![]() Data Sheet |
![]()
|
|
||||||||||||
![]() |
![]() LM5100AMR/NOPB |
![]() National Semiconductor (TI) |
![]() Power Driver ICs 100V 3Amp 1/2-Bridge Driver |
![]() Data Sheet |
![]()
|
|
||||||||||||
![]() |
![]() LM5100AMRX/NOPB |
![]() National Semiconductor (TI) |
![]() Power Driver ICs |
![]() Data Sheet |
![]()
|
|
||||||||||||
(China (Mainland))










