Product Summary
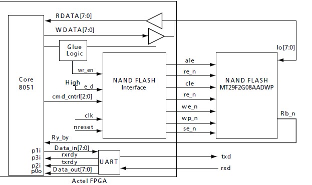
The MT29F4G16ABCWC is an NAND flash memory. The MT29F4G16ABCWC can be easily implemented in Actel IGLOO or ProASIC low power FPGAs that contain 5600 tiles, such as AGL250 or A3P250 devices. However, this design was verified with the Actel M1AGL600V2 484FBGA IGLOO device and interfaces with an Actel Core8051 and a Micron NAND flash device. The NAND flash interface is universal and supports similar devices. The MT29F4G16ABCWC has a multiplexed bus for data, address, and instructions and support page access rather than the random access used by NOR flash. The MT29F4G16ABCWC NAND flash device contains 2,048 blocks; each block is subdivided into 64 programmable pages; each page consists of 2,112 bytes; and each page is divided into a 2,048-byte data storage region with a separate 64-byte area, typically used for error management functions.
Parametrics
MT29F4G16ABCWC absolute maximum ratings: (1)MT29FxGxxxAx VIN Supply voltage on any pin relative to Vss: -0.6 +4.6 V; (2)MT29FxGxxxAx VCC Supply voltage on any pin relative to Vss: -0.6 +4.6 V; (3)Storage temperature TSTG: -65 +150℃; (4)Short circuit output current, I/Os: 5 mA.
Features
MT29F4G16ABCWC features: (1)Density: 2Gb; (2)Part Status: Production; (3)ROHS: Yes; (4)Width: x8; (5)Voltage: 3.3V; (6)Package: TSOP; (7)Pin Count: 48 pin; (8)Bits/Cell: SLC; (9)I/O: Common; (10)Op Temp: -40C to +85℃.
Diagrams

| Image | Part No | Mfg | Description | ![]() |
Pricing (USD) |
Quantity | ||||
|---|---|---|---|---|---|---|---|---|---|---|
![]() |
![]() MT29F4G16ABCWC:C |
![]() |
![]() IC FLASH 4GBIT 48TSOP |
![]() Data Sheet |
![]() Negotiable |
|
||||
![]() |
![]() MT29F4G16ABCWC:C TR |
![]() |
![]() IC FLASH 4GBIT 48TSOP |
![]() Data Sheet |
![]() Negotiable |
|
||||
(China (Mainland))









