Product Summary
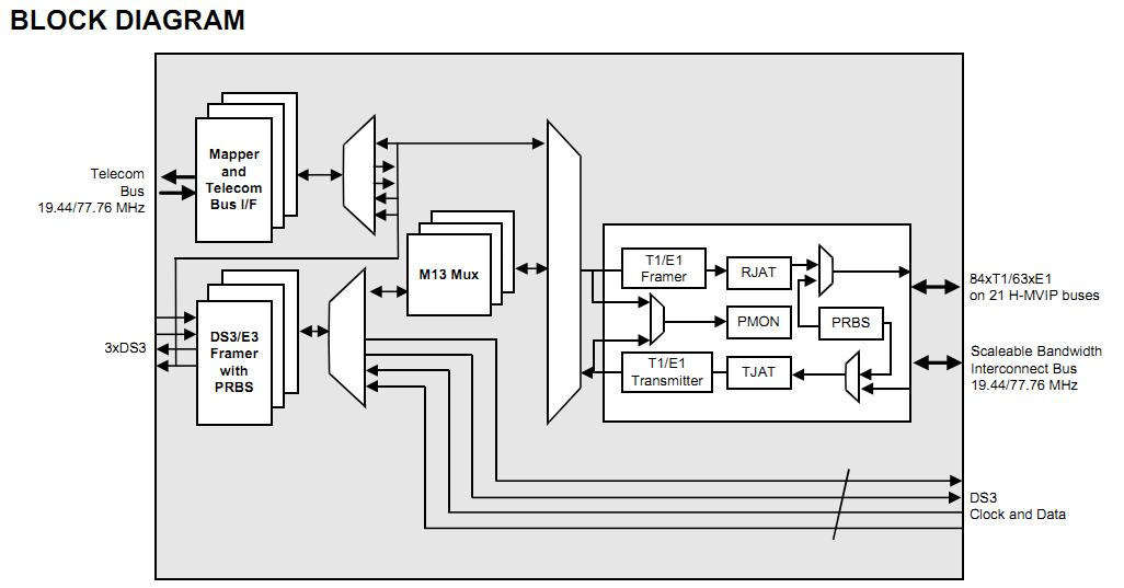
The PM8398A-BGI is a 155 Mbit/s multi-channel T1/E1 Framer with integrated VT/TU Mappers and M13 Multiplexers.
Features
PM8398A-BGI features: (1)Each SPE/STS-1 can be independently programmed for various T1, E1 or DS3 modes of operation; (2)Supports wide range of T1, E1 and J1 framing formats; (3)Supports M23 and C-bit parity DS3 formats; (4)Stand-alone unchannelized E3 framer mode (ITU-T Rec. G.751 or G.832) for access to the entire E3 payload; (5)84 T1 framers; (6)63 E1 framers; (7)Three SONET/SDH VT1.5/VT2/TU11/TU12 bit asynchronous or byte synchronous mappers; (8)Three full featured M13 multiplexers with DS3 framers; (9)Three SONET/SDH DS3 mappers for terminating DS3 multiplexed T1 streams, SONET/SDH mapped T1 streams or SONET/SDH mapped E1 streams.
Diagrams

(China (Mainland))






