Product Summary
The PS2134CI-6 is a Dual-In-Line Intelligent Power Module. DIP and mini-DIP IPMs are intelligent power modules that integrate power devices, drivers, and protection circuitry in an ultra compact dual-in-line transfer-mold package for use in driving small three phase motor. Use of 4th generation IGBTs, DIP packaging, and application specific HVICs allow the designer to reduce inverter size and overall design time. It is ideal for: (1)Washing Machines; (2)Refrigerators; (3)Air Conditioners; (4)Small Servo Motors; (5)Small Motor Control.
Parametrics
PS2134CI-6 absolute maximum ratings: (1)power device junction temperature* tj: -20 to 150 °c; (2)storage temperature tstg: -40 to 125 °c; (3)heatsink temperature (see tf measure point illustration)tf: -20 to 100 °c; (4)mounting torque, m3 mounting screws: 8.5 in-lb; (5)module weight (typical): 20 grams; (6)heatsink flatness: -50 to 100 μm; (7)self-protection supply voltage limit (short circuit protection capability)** vcc(prot.): 400 volts; (8)isolation voltage, ac 1 minute, 60hz sinusoidal, connection pins to heatsink plate viso: 1500 volts.
Features
PS2134CI-6 features: (1)Compact Packages; (2)Single Power Supply; (3)Integrated HVICs; (4)Direct Connection to CPU; (5)Optimized for 5kHz Operation.
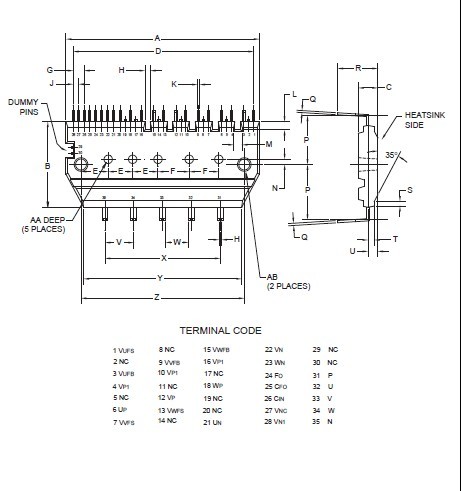
Diagrams

(China (Mainland))






