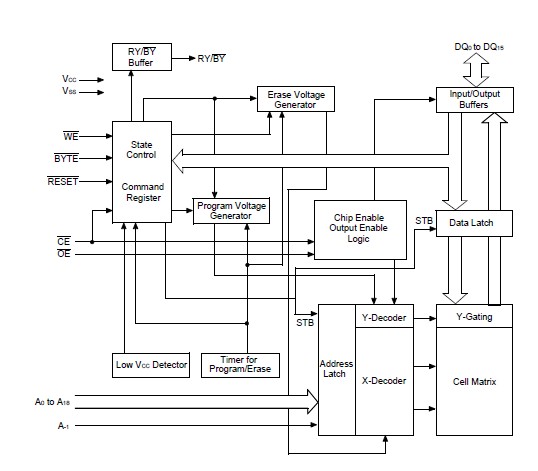
Product Summary
The SM323QAD is an 8M-bit, 5.0 V-only Flash memory organized as 1M bytes of 8 bits each or 512K words of 16 bits each. The SM323QAD is offered in a 48-pin TSOP(I) and 44-pin SOP packages. The SM323QAD is designed to be programmed in-system with the standard system 5.0 V VCC supply. 12.0 V VPP is not required for write or erase operations. The SM323QAD can also be reprogrammed in standard EPROM programmers.
Parametrics
SM323QAD absolute maximum ratings: (1)Storage Temperature: -55℃ to +125℃; (2)Ambient Temperature with Power Applied: -40℃ to +85℃; (3)Voltage with respect to Ground All pins except A9, OE, and RESET: -2.0 V to +7.0 V; (4)VCC: -2.0 V to +7.0 V; (5)A9, OE, and RESET: -2.0 V to +13.5 V; (6)ILI Input Leakage Current VIN = VSS to VCC, VCC = VCC Max.: -1.0 to +1.0 μA; (7)ILO Output Leakage Current VOUT = VSS to VCC, VCC = VCC Max.: -1.0 to +1.0 μA.
Features
SM323QAD features: (1)Single 5.0 V read, write, and erase Minimizes system level power requirements; (2)Compatible with JEDEC-standard commands Uses same software commands as E2PROMs; (3)Compatible with JEDEC-standard world-wide pinouts; (4)Minimum 100,000 write/erase cycles; (5)High performance 55 ns maximum access time; (6)Sector erase architecture; (7)Boot Code Sector Architecture; (8)Embedded Erase Algorithms; (9)Embedded ProgramTM Algorithms; (10)Data Polling and Toggle Bit feature for detection of program or erase cycle completion.
Diagrams

![]() |
![]() SM320C32PCMM60EP |
![]() Texas Instruments |
![]() Digital Signal Processors & Controllers (DSP, DSC) EP Digital Signal Proc |
![]() Data Sheet |
![]() Negotiable |
|
||||||||
![]() |
![]() SM320C50PQI80EP |
![]() Texas Instruments |
![]() Digital Signal Processors & Controllers (DSP, DSC) EP Digital Signal Proc |
![]() Data Sheet |
![]() Negotiable |
|
||||||||
![]() |
![]() SM320C6202GJLA20EP |
![]() Texas Instruments |
![]() Digital Signal Processors & Controllers (DSP, DSC) Fxd-pt Dig Sig Proc Mil enhanced |
![]() Data Sheet |
![]()
|
|
||||||||
![]() |
![]() SM320F2812HFGS150 |
![]() Texas Instruments |
![]() Digital Signal Processors & Controllers (DSP, DSC) HT Dig Signal Controller |
![]() Data Sheet |
![]()
|
|
||||||||
![]() |
![]() SM320DM6446AZWTA |
![]() Texas Instruments |
![]() Digital Signal Processors & Controllers (DSP, DSC) HiRel DaVinci Dig Media Sys-on-Chip |
![]() Data Sheet |
![]()
|
|
||||||||
![]() |
![]() SM320F2812KGDS150A |
![]() Texas Instruments |
![]() Digital Signal Processors & Controllers (DSP, DSC) HT Dig Signal Controller |
![]() Data Sheet |
![]()
|
|
||||||||
(China (Mainland))









