Product Summary
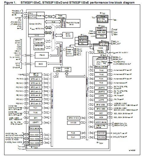
The STM32F103VET6 is a high-density performance line ARM-based 32-bit MCU with 256 to 512KB flash, USB, CAN, 11 timers, 3 ADCs, 13 communication interfaces. The STM32F103VET6 operates in the –40 to +105℃ temperature range, from a 2.0 to 3.6 V power supply. A comprehensive set of power-saving mode allows the design of low-power applications. The STM32F103VET6 offers three 12-bit ADCs, four general-purpose 16-bit timers plus two PWM timers, as well as standard and advanced communication interfaces: up to two I2Cs, three SPIs, two I2Ss, one SDIO, five USARTs, an USB and a CAN.
Parametrics
STM32F103VET6 absolute maximum ratings: (1)External main supply voltage (including VDDA and VDD): –0.3 to 4.0V; (2)Input voltage on five volt tolerant pin(2): VSS - 0.3 to +5.5 V; (3)Input voltage on any other pin(2): VSS-0.3 to VDD+0.3 V; (4)Variations between different VDD power pins: 50 mV; (5)Variations between all the different ground pins: 50 mV.
Features
STM32F103VET6 features: (1)Core: ARM 32-bit Cortex-M3 CPU; (2)256 to 512 Kbytes of Flash memory; (3)up to 64 Kbytes of SRAM; (4)Flexible static memory controller with 4; (5)Chip Select. Supports Compact Flash, SRAM, PSRAM, NOR and NAND memories; (6)LCD parallel interface, 8080/6800 modes; (7)Clock, reset and supply management; (8)Low power; (9)3 × 12-bit, 1 μs A/D converters (up to 21 channels); (10)2 × 12-bit D/A converters; (11)DMA: 12-channel DMA controller; (12)Up to 112 fast I/O ports; (13)Up to 11 timers; (14)Up to 13 communication interfaces; (15)CRC calculation unit, 96-bit unique ID.
Diagrams

| Image | Part No | Mfg | Description | ![]() |
Pricing (USD) |
Quantity | ||||||||||||
|---|---|---|---|---|---|---|---|---|---|---|---|---|---|---|---|---|---|---|
![]() |
![]() STM32F103VET6 |
![]() STMicroelectronics |
![]() ARM Microcontrollers (MCU) 32BIT Cortex M3 Performance LINE |
![]() Data Sheet |
![]()
|
|
||||||||||||
![]() |
![]() STM32F103VET6TR |
![]() STMicroelectronics |
![]() ARM Microcontrollers (MCU) 32-Bit Cortex 64Kb Performance Line |
![]() Data Sheet |
![]()
|
|
||||||||||||
(China (Mainland))









