Product Summary
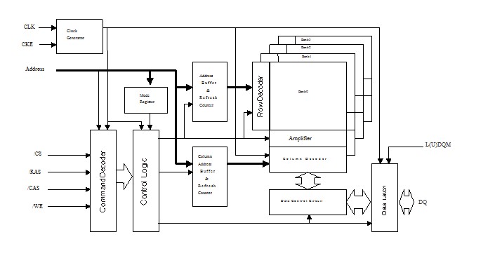
The VDS6616A4A-6 is a four-bank Synchronous DRAM. The VDS6616A4A-6 is organized as 1,048,576 words x 16 bits x 4 banks, Synchronous design allows precise cycle control with the use of system clock I/O transactions are possible on every clock cycle. Range of operating frequencies, programmable burst length and programmable latencies allow the same device to be useful for a variety of high bandwidth high performance memory system applications.
Parametrics
VDS6616A4A-6 absolute maximum ratings: (1)Voltage on any pin relative to VssVIN, Vout: -0.3 ~ VD+0.3V; (2)Voltage on VDD supply relative to VssVDD, VDDQ: -0.3 ~4.6V; (3)Storage temperatureTSTG: -55 ~ +150℃; (4)Power dissipationPD: 1W; (5)Short circuit currentIOS: 50mA.
Features
VDS6616A4A-6 features: (1)JEDEC standard LVTTL 3.3V power supply; (2)MRS Cycle with address key programs: CAS Latency (2 & 3), Burst Length (1,2,3,8,& full page), Burst Type (sequential & Interleave) ; (3)4 banks operation ; (4)All inputs are sampled at the positive edge of the system clock ; (5)Burst Read single write operation ; (6)Auto & Self refresh ; (7)4096 refresh cycle ; (8)DQM for masking ; (9)Package:54-pins 400 mil TSOP-Type II.
Diagrams

![]() |
![]() VDS6608A4A |
![]() Other |
![]() |
![]() Data Sheet |
![]() Negotiable |
|
||||
![]() |
![]() VDS6632A4A |
![]() Other |
![]() |
![]() Data Sheet |
![]() Negotiable |
|
||||
![]() |
![]() VDS6616A4A |
![]() Other |
![]() |
![]() Data Sheet |
![]() Negotiable |
|
||||
(China (Mainland))








