Product Summary
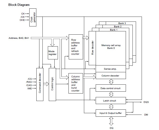
The EDD10163BBH-5BLS-F is an 1G bits DDR Mobile RAM.
Parametrics
EDD10163BBH-5BLS-F absolute maximum ratings: (1)Voltage on any pin relative to VSS VT: -0.5 to +2.3 V; (2)Supply voltage relative to VSS VDD: -0.5 to +2.3 V; (3)Short circuit output current IOS: 50 mA; (4)Power dissipation PD: 1.0 W; (5)Operating ambient temperature TA: -25 to +85 °C; (6)Storage temperature Tstg: -55 to +125 °C.
Features
EDD10163BBH-5BLS-F features: (1)DLL is not implemented; (2)Low power consumption; (3)Partial Array Self-Refresh (PASR); (4)Auto Temperature Compensated Self-Refresh (ATCSR)by built-in temperature sensor; (5)Deep power-down mode; (6)Double-data-rate architecture; two data transfers per one clock cycle; (7)The high-speed data transfer is realized by the 2 bits prefetch pipelined architecture; (8)Bi-directional data strobe (DQS)is transmitted; (9)/received with data for capturing data at the receiver.; (10)Data inputs, outputs, and DM are synchronized with DQS; (11)DQS is edge-aligned with data for READs; centeraligned with data for WRITEs; (12)Differential clock inputs (CK and /CK); (13)Commands entered on each positive CK edge: data and data mask referenced to both edges of DQS; (14)Data mask (DM)for write data; (15)Burst termination by burst stop command and precharge command.
Diagrams

(China (Mainland))






