Product Summary
The FSP4054TCAD is a complete constant-current/constant-voltage linear charger for cell lithium-ion batteries. Its Thin SOT23-5L package and low external component count make the FSP4054TCAD ideally suited for portable applications. Furthermore, the FSP4054TCAD is specifically designed to work within USB power specifications. The applications of the FSP4054TCAD include Cellular phones, PDAs, Bluetooth applications, Charging docks and Cradles, MP3 players.
Parametrics
FSP4054TCAD absolute maximum ratings: (1)Input Supply Voltage: -0.3 to 10 V; (2)PROG: -0.3 to Vcc + 0.3 V; (3)BAT: -0.3 to 7 V; (4)CHRG: -0.3 to 10 V; (5)BAT short-circuit duration: continuous; (6)BAT pin current: 800 mA; (7)PROG pin current: 800 uA; (8)Operating temperature(Note 2): -40 to 85℃; (9)Maximum Junction Temperature: 125℃; (10)Storage Temperature: -65 to 150℃; (11)Lead Temperature (Soldering, 10 sec): 300℃.
Features
FSP4054TCAD features: (1)Programmable charge current up to 800mA; (2)No MOSFET, sense resistor or blocking diode required; (3)Complete linear charger in thin SOT package for single cell lithium–ion batteries; (4)Constant-current/constant-voltage operation with thermal regulation to maximize charge rate without risk of overheating; (5)Charges single cell Li-ion batteries directly from USB port; (6)Preset 4.2V charge voltage with ±1% accuracy; (7)Charge current monitor output for gas gauging; (8)Automatic recharge; (9)Charge status output pin; (10)C/10 charge termination; (11)25uA supply current in shutdown; (12)2.9V trickle charge threshold; (13)Soft-start limits inrush current; (14)Space saving ThinSOT23-5L package.
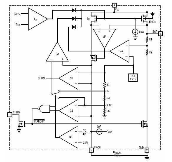
Diagrams

(China (Mainland))






