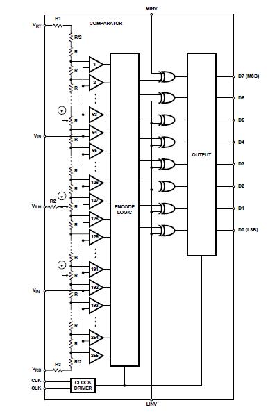
Product Summary
The HI1380RFI-100 is an 8-bit, high-speed flash analog-to-digital converter IC capable of digitizing analog signals at a maximum rate of 75 MSPS. The digital I/O levels of this A/D converter are compatible with ECL 100K/10KH/10K. The HI1380RFI-100 is available in the commercial and industrial temperature range and is supplied in 28 lead plastic DIP and 44 lead ceramic LCC packages. The applications of the HI1380RFI-100 include Video Digitizing, RGB Graphics Processing, HDTV (High Definition TV), Radar Systems, Communication Systems, Direct RF Down-Conversion, Digital Oscilloscopes.
Parametrics
HI1380RFI-100 absolute maximum ratings: (1)Supply Voltage (AVEE, DVEE): -7V to +0.5V; (2)Analog Input Voltage (VIN): -2.7V to +0.5V; (3)Reference Input Voltage VRT, VRB, VRM: -2.7V to +0.5V; |VRT -VRB|: 2.5V; (4)Digital Input Voltage, CLK, CLK, MINV, LINV: -4V to +0.5V; |CLK-CLK|: 2.7V; (5)VRM Pin Input Current (IVRM): -3mA to +3mA; (6)Digital Output Current (ID0 to ID7): -30mA to 0mA.
Features
HI1380RFI-100 features: (1)Differential Linearity Error ±0.5 LSB or Less; (2)Integral Linearity Error ±0.5 LSB or Less; (3)Built-In Integral Linearity Compensation Circuit; (4)High-Speed Operation with Maximum Conversion Rate (Min): 75 MSPS; (5)Low Input Capacitance (Typ): 17pF; (6)Wide Analog Input Bandwidth (Min for Full Scale Input): 150MHz; (7)Single Power Supply: -5.2V; (8)Low Power Consumption (Typ): 580mW; (9)Low Error Rate; (10)Operable at 50% Clock Duty Cycle; (11)Capable of Driving 50W Loads; (12)Direct Replacement for CXA1386.
Diagrams

(China (Mainland))






