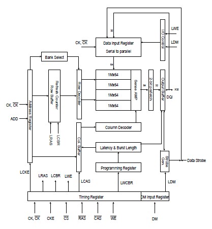
Product Summary
The K4X56323PL-8GC6 is a mobile-DDR SDRAM.
Parametrics
K4X56323PL-8GC6 absolute maximum ratings: (1)Voltage on any pin relative to VSS, VIN, VOUT: -0.5 ~ 2.7 V; (2)Voltage on VDD supply relative to VSS, VDD: -0.5 ~ 2.7 V; (3)Voltage on VDDQ supply relative to VSS, VDDQ: -0.5 ~ 2.7 V; (4)Storage temperature, TSTG: -55 ~ +150 °C; (5)Power dissipation, PD: 1.0 W; (6)Short circuit current, IOS: 50 mA.
Features
K4X56323PL-8GC6 features: (1)1.8V power supply, 1.8V I/O power; (2)Double-data-rate architecture; two data transfers per clock cycle; (3)Bidirectional data strobe(DQS); (4)Four banks operation; (5)Differential clock inputs(CK and CK); (6)MRS cycle with address key programs: CAS latency ( 2, 3 ); Burst length ( 2, 4, 8, 16 ); Burst type (sequential & interleave); Partial self refresh type ( full, 1/2, 1/4 Array ); Output driver strength control ( full, 1/2, 1/4, 1/8 ); (7)Internal temperature compensated self refresh; (8)Deep power down mode; (9)All inputs except data & DM are sampled at the positive going edge of the system clock(CK); (10)Data I/O transactions on both edges of data strobe, DM for masking.; (11)Edge aligned data output, center aligned data input.; (12)No DLL; CK to DQS is not synchronized.; (13)DM0 DM3 for write masking only.; (14)Auto refresh duty cycle: 15.6us for -25 to 85 °C.
Diagrams

(China (Mainland))






