Product Summary
The LC4256V-75TN100-101 high performance ispMACH 4000 family from Lattice offers a SuperFAST CPLD solution. The LC4256V-75TN100-101 combines high speed and low power with the fexibility needed for ease of design. The LC4256V-75TN100-101 has enhanced system integration capabilities.
Parametrics
LC4256V-75TN100-101 absolute maximum ratings: (1) Supply Voltage (VCC ) : -0.5V to 2.5V; (2) Output Supply Voltage (VCCO ) : -0.5V to 4.5V; (3) Storage Temperature: -65°C to 150°C; (4) Input or I/O Tristate Voltage Applied: -0.5V to 4.5V; (5) Junction Temperature (T) with Power Applied: -55°C to 150°C.
Features
LC4256V-75TN100-101 features: (1) fMAX=400MHz maximum operating frequency; (2) Up to four global clock pins with programmable clock polarity control; (3) Zero Power (ispMACH 4000Z) and Low Power (ispMACH 4000V/B/C); (4) Broad Device Offering Features; (5) Easy System Integration; (6) Lead-free package options.
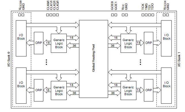
Diagrams
alt
![]() |
![]() LC421 |
![]() Other |
![]() |
![]() Data Sheet |
![]() Negotiable |
|
||||||||||
![]() |
![]() LC4256B-10F256AI |
![]() Lattice |
![]() CPLD - Complex Programmable Logic Devices PROGRAMMABLE SUPER FAST HI DENSITY PLD |
![]() Data Sheet |
![]() Negotiable |
|
||||||||||
![]() |
![]() LC4256B-10F256BI |
![]() Lattice |
![]() CPLD - Complex Programmable Logic Devices PROGRAMMABLE SUPER FAST HI DENSITY PLD |
![]() Data Sheet |
![]()
|
|
||||||||||
![]() |
![]() LC4256B-10FN256AI |
![]() Lattice |
![]() CPLD - Complex Programmable Logic Devices PROGRAMMABLE SUPER FAST HI DENSITY PLD |
![]() Data Sheet |
![]()
|
|
||||||||||
![]() |
![]() LC4256B-10FN256BI |
![]() Lattice |
![]() CPLD - Complex Programmable Logic Devices PROGRAMMABLE SUPER FAST HI DENSITY PLD |
![]() Data Sheet |
![]()
|
|
||||||||||
![]() |
![]() LC4256B-10FT256AI |
![]() Lattice |
![]() CPLD - Complex Programmable Logic Devices 256MC 128I/O ispJTAG 2.5V 10ns IND |
![]() Data Sheet |
![]()
|
|
||||||||||
(China (Mainland))








