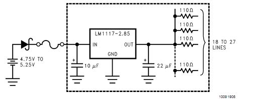
Product Summary
The LM1117-3.3 is a low-dropout linear regulator. The LM1117-3.3 is a series of low dropout voltage regulators with a dropout of 1.2V at 800mA of load current. It has the same pin-out as National Semiconductors industry standard LM317. The LM1117-3.3 is available in an adjustable version, which can set the output voltage from 1.25V to 13.8V with only two external resistors. In addition, it is also available in five fixed voltages, 1.8V, 2.5V, 2.85V, 3.3V, and 5V.
Parametrics
LM1117-3.3 absolute maximum ratings: (1)Maximum Input Voltage (VIN to GND): 20V; (2)Power Dissipation: Internally Limited; (3)Junction Temperature (TJ): 150℃; (4)Storage Temperature Range: -65℃ to 150℃; (5)ESD Tolerance: 2000V.
Features
LM1117-3.3 features: (1)Available 1.8V, 2.5V, 2.85V, 3.3V, 5V, and Adjustable Versions; (2)Space Saving SOT-223 and LLP Packages; (3)Current Limiting and Thermal Protection; (4)Output Current 800mA; (5)Line Regulation 0.2% (Max); (6)Load Regulation 0.4% (Max).
Diagrams

(China (Mainland))






