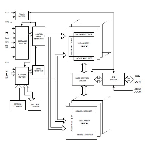
Product Summary
The W9825G6EH-75 is a high-speed synchronous dynamic random access memory (SDRAM), organized as 4M words × 4 banks × 16 bits. The W9825G6EH-75 delivers a data bandwidth of up to 166M words per second (-6). To fully comply with the personal computer industrial standard, it is sorted into the following speed grades: -6/-6C and -75. The W9825G6EH-75 is compliant to the 133MHz/CL3 specification.
Parametrics
W9825G6EH-75 absolute maximum ratings: (1)Input, Output Voltage, VIN, VOUT: -0.3 to VCC + 0.3 V; (2)Supply Voltage, VCC, VCCQ: -0.3 to 4.6 V; (3)Operating Temperature, TOPR: 0 to 70℃; (4)Storage Temperature, TSTG: -55 to 150℃; (5)Soldering Temperature (10s), TSOLDER: 250℃; (6)Power Dissipation, PD: 1 W; (7)Short Circuit Output Current, IOUT: 50 mA.
Features
W9825G6EH-75 features: (1)3.3V ± 0.3V Power Supply; (2)Up to 166 MHz Clock Frequency; (3)4,194,304 Words × 4 Banks × 16 Bits Organization; (4)Self Refresh Mode: Standard and Low Power; (5)CAS Latency: 2 and 3; (6)Burst Length: 1, 2, 4, 8 and Full Page; (7)Burst Read, Single Writes Mode; (8)Byte Data Controlled by LDQM, UDQM; (9)Power Down Mode; (10)Auto-precharge and Controlled Precharge; (11)8K Refresh Cycles/64 mS; (12)Interface: LVTTL; (13)Packaged in TSOP II 54-pin, 400 mil - 0.80, using Lead free materials with RoHS compliant.
Diagrams

![]() |
![]() W982504AH |
![]() Other |
![]() |
![]() Data Sheet |
![]() Negotiable |
|
||||
![]() |
![]() W982504BH |
![]() Other |
![]() |
![]() Data Sheet |
![]() Negotiable |
|
||||
![]() |
![]() W982516AH |
![]() Other |
![]() |
![]() Data Sheet |
![]() Negotiable |
|
||||
![]() |
![]() W982516AH-7 |
![]() Other |
![]() |
![]() Data Sheet |
![]() Negotiable |
|
||||
![]() |
![]() W982516AH-75 |
![]() Other |
![]() |
![]() Data Sheet |
![]() Negotiable |
|
||||
![]() |
![]() W982516BH |
![]() Other |
![]() |
![]() Data Sheet |
![]() Negotiable |
|
||||
(China (Mainland))








