Product Summary
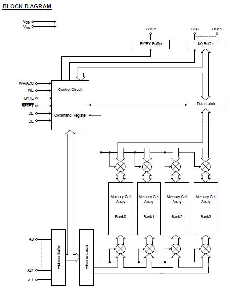
The TC58FVM5B2AFT-65BAH is a 67108864-bit, 3.0-V read-only electrically erasable and programmable flash memory organized as 8388608 words × 8 bits or as 4194304 words × 16 bits. The TC58FVM5B2AFT-65BAH features commands for Read, Program and Erase operations to allow easy interfacing with microprocessors. The commands are based on the JEDEC standard. The Program and Erase operations are automatically executed in the chip. The TC58FVM5B2AFT-65BAH also features a Simultaneous Read/Write operation so that data can be read during a Write or Erase operation.
Parametrics
TC58FVM5B2AFT-65BAH absolute maximum ratings: (1)VDD VDD Supply Voltage: -0.6~4.6 V; (2)VIN Input Voltage: -0.6~VDD + 0.5 (≤ 4.6) V; (3)VDQ Input/Output Voltage: -0.6~VDD + 0.5 (≤ 4.6)V; (4)VIDH Maximum Input Voltage for A9, OE and RESET: 13.0 V; (5)VACCH Maximum Input Voltage for WP/ACC: 10.5 V; (6)PD Power Dissipation: 600 mW; (7)Tsolder Soldering Temperature (10s): 260℃; (8)Tstg Storage Temperature: -55~150℃; (9)Topr Operating Temperature: -40~85℃; (10)IOSHORT Output Short-Circuit Current: 100 mA.
Features
TC58FVM5B2AFT-65BAH features: (1)Power supply voltage VDD = 2.3 V~3.6 V; (2)Operating temperature Ta = -40℃~85℃; (3)Organization 8M ×8 bits/4M ×16 bits; (4)Block erase architecture, 8 ×8 Kbytes/127 ×64 Kbytes; (5)Boot block architecture, TC58FVM6T2A: top boot block; (6)Mode control Compatible with JEDEC standard commands; (7)Erase/Program cycles 105 cycles typ.
Diagrams

(China (Mainland))






