Product Summary
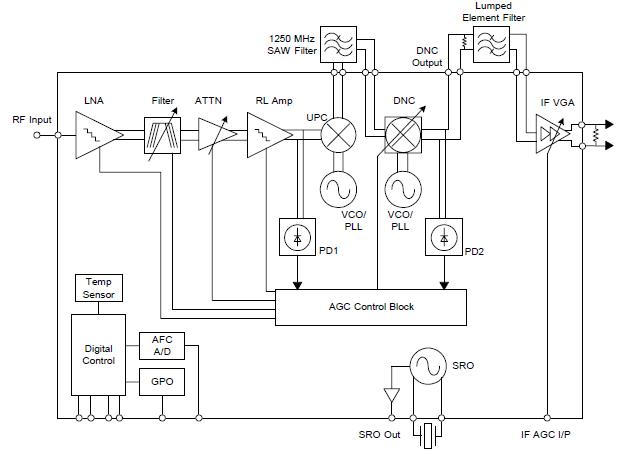
The MT2170AF is an advanced, low-power single-chip wideband tuner that has been optimized for high-performance DOCSIS 3.0-compliant cable modems and digital cable set-top boxes that require low composite distortion and low noise under digital cable environments. The MT2170AF is capable of receiving frequencies in the 48MHz to 1GHz range and of converting a selected channel to a standard intermediate frequency (IF) between 26MHz and 126MHz. The applications of the MT2170AF include DOCSIS 3.0 Wideband Cable Modems, Video over IP Digital Set-top Boxes, DOCSIS 3.0 VoIP Telephony Modem, PacketCable E-MTA’s, Home Gateways, Multimedia Applications.
Parametrics
MT2170AF absolute maximum ratings: (1)Supply voltage: 5V to 6 V; (2)Supply voltage: 3.3V to 3.6 V; (3)Storage temperature range: -50 to +150℃; (4)Lead-free temperature (soldering 4 seconds): +260℃; (5)Input voltage: -0.3 to VCC +0.3 V.
Features
MT2170AF features: (1)48MHz to 1GHz input frequency range; (2)5V & 3.3V power supply; (3)Works seamlessly with DOCSIS 3.0 digital demodulators; (4)1.5W dual-conversion architecture; (5)Single-ended RF input reduces BOM by eliminating input balun; (6)Minimal external components; (7)No manually tunable parts required; (8)Integrated IF variable gain amplifier for direct connection to digital demodulators; (9)Fully compatible with DOCSIS 3.0, EuroDOCSIS, and other standards.
Diagrams

(China (Mainland))






